| # | Part | Description | Price | Req | Notes | Availability |
1 |
999-1220
|
Screw M5-.8 x 12mm hex head stainless steel |
$0.99
|
1 |
|
ships same day |
2 |
999-9100
|
Washer M5 flat stainless steel |
$5.83
|
3 |
|
ships same day |
3 |
999-0953
|
Nut M5-.8 hex nylon insert lock stainless steel |
$2.88
|
3 |
|
ships same day |
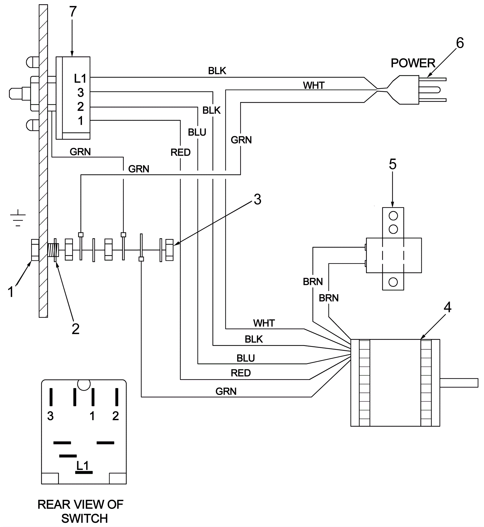
4 |
173-9590
|
115V 1HP 3 speed motor |
$507.29
|
1 |
|
ships same day |
5 |
173-9576
|
Capacitor |
$68.86
|
1 |
|
usually ships 11-15 days |
6a |
173-9579
|
14/3 power cord 25 foot |
$130.65
|
1 |
(OEM) |
usually ships 11-15 days |
6b |
991-5005
|
14/3 replacement power cord 50 foot (yellow) |
$108.51
|
1 |
(NON-OEM) (does not include strain relief) |
ships same day |
6c |
991-5001
|
14/3 extension cord 50 foot (yellow) |
$103.23
|
1 |
(NON-OEM) |
ships same day |
7 |
173-9573
|
3 speed rotary switch |
$46.85
|
1 |
|
usually ships 11-15 days |