# | Part | Description | Price | Req | Notes | Availability |
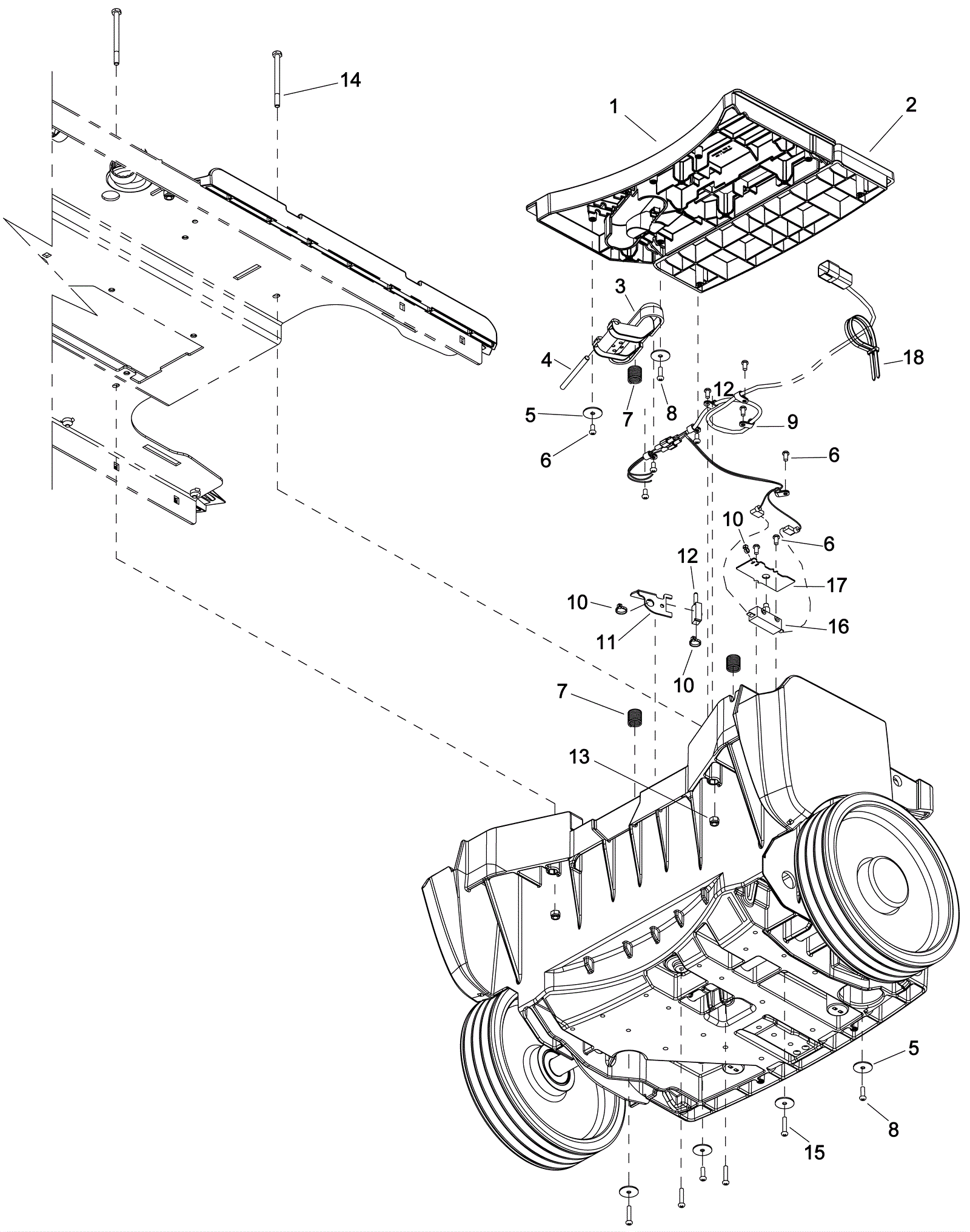
1 |
273-7257
|
Operator platform (black) |
$97.11
|
1 |
|
usually ships 11-15 days |
2 |
273-7258
|
Heel pedal (black) |
$108.88
|
1 |
|
ships same day |
3 |
273-7259
|
Accelerator pedal (yellow) |
$59.44
|
1 |
|
usually ships 11-15 days |
4 |
273-7260
|
Dowel pin .25D x 3.125 (OBSOLETE) |
$27.39
|
1 |
|
usually ships 11-15 days |
5 |
273-0265
|
Washer #10 |
$0.99
|
6 |
|
usually ships 11-15 days |
6 |
273-5604
|
Screw |
$0.99
|
10 |
|
usually ships 11-15 days |
7 |
173-5493
|
Spring |
$11.36
|
3 |
|
usually ships 11-15 days |
8 |
173-5950
|
Screw KA50 x 16 oval head phillips SS (OBSOLETE) |
$2.85
|
3 |
|
usually ships 11-15 days |
9 |
173-7218
|
Hose clamp (OBSOLETE) |
$0.99
|
6 |
|
usually ships 11-15 days |
10 |
173-0822
|
Wire tie |
$1.06
|
3 |
|
usually ships 11-15 days |
11 |
273-7261
|
Potentiometer bracket |
$28.60
|
1 |
|
usually ships 11-15 days |
12 |
173-7217
|
Linear potentiometer assembly |
$144.77
|
1 |
|
usually ships 11-15 days |
13 |
999-0294
|
Nut 1/4-20 hex nylon lock type NE stainless steel |
$1.18
|
2 |
|
ships same day |
14 |
999-0362
|
Bolt 1/4-20 x 3 1/4 hex head grade 5 zinc plated |
$0.99
|
2 |
|
ships same day |
15 |
273-5415
|
Screw KA50 x 25mm stainless steel |
$5.50
|
4 |
|
usually ships 11-15 days |
16 |
173-0378
|
25amp switch replacement |
$70.04
|
1 |
|
ships same day |
17 |
273-7262
|
Switch cover plate |
$10.42
|
1 |
|
usually ships 1-5 days |
18 |
273-3820
|
11 inch cable tie |
$0.41
|
2 |
|
ships same day |