| # | Part | Description | Price | Req | Notes | Availability |
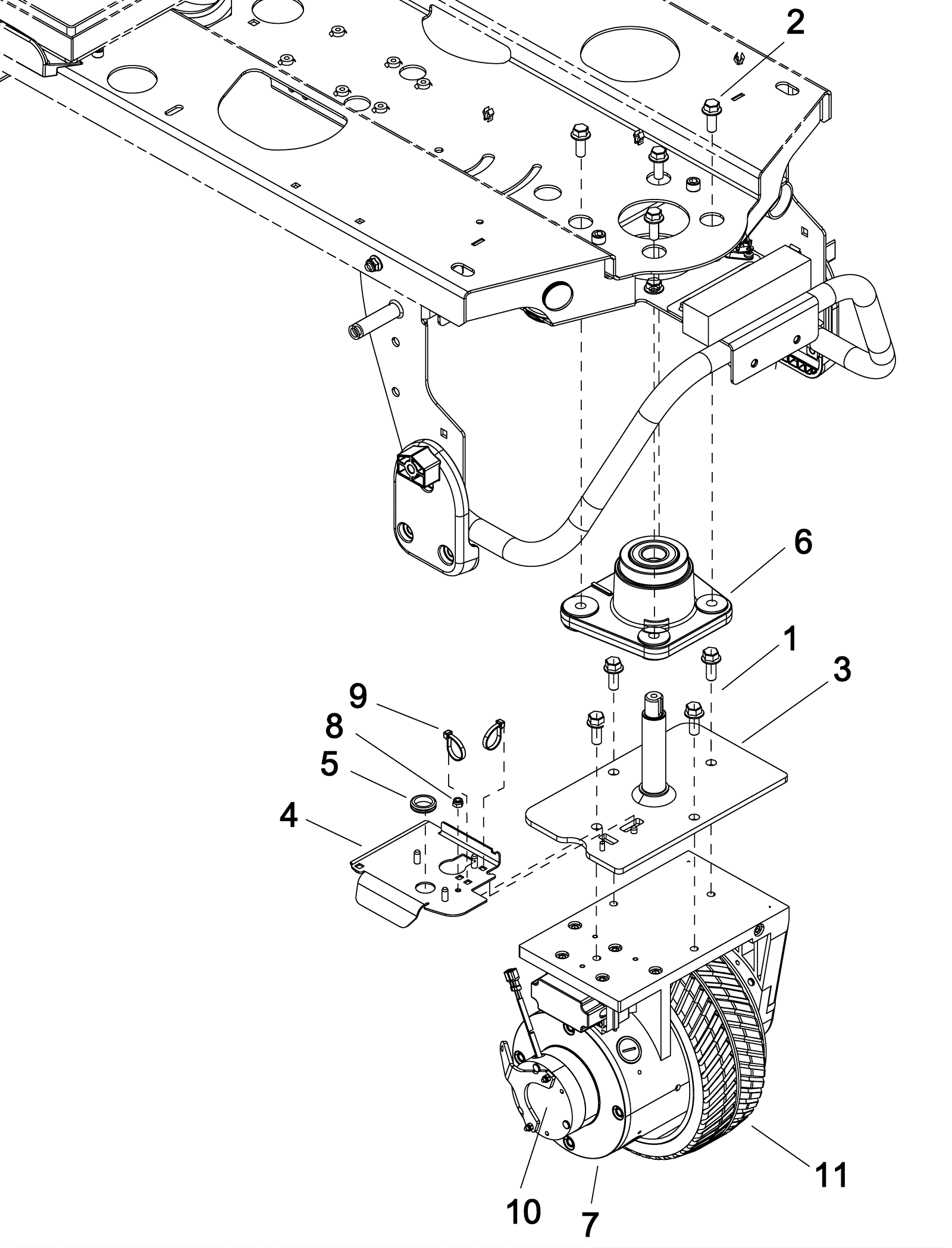
1 |
273-7242
|
Bolt M10 x 25 mm flange hex head |
$7.70
|
4 |
|
usually ships 1-5 days |
2 |
273-7243
|
Bolt 3/8-16 x 1 flange hex head |
$14.33
|
4 |
|
usually ships 1-5 days |
3 |
273-7244
|
Drive shaft assembly |
$148.30
|
1 |
|
usually ships 11-15 days |
4 |
273-7245
|
Drive unit wiring bracket |
$61.60
|
1 |
|
usually ships 1-5 days |
5 |
273-5695
|
Grove grommet |
$37.04
|
1 |
|
usually ships 11-15 days |
6 |
273-7246
|
Front drive bearing block assembly |
$410.77
|
1 |
|
usually ships 11-15 days |
7a |
273-7247
|
36V drive wheel motor hub |
$2,889.54
|
1 |
|
usually ships 11-15 days |
7b |
273-7250
|
Carbon brush set |
$104.17
|
1 |
|
usually ships 11-15 days |
8 |
999-0442
|
Nut 10-24 nylon insert lock stainless steel |
$1.76
|
1 |
|
ships same day |
9 |
273-3820
|
11 inch cable tie |
$0.41
|
2 |
|
ships same day |
10 |
273-7248
|
Brake |
$489.63
|
1 |
|
ships same day |
11 |
273-7249
|
Drive wheel |
$923.95
|
1 |
|
usually ships 11-15 days |