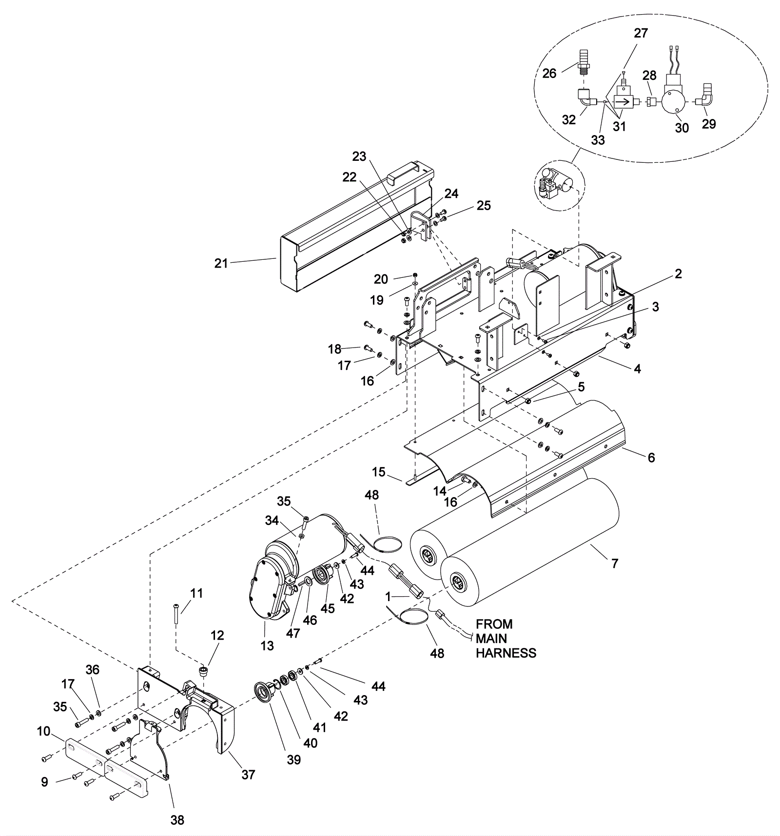
| # | Part | Description | Price | Req | Notes | Availability |
1 |
173-1766
|
Polarity jumper wire assembly |
$93.58
|
1 |
|
usually ships 11-15 days |
2 |
999-0311
|
Washer #10 external star lock zinc plated |
$0.99
|
2 |
|
ships same day |
3 |
999-0896
|
Screw 10-32 x 3/8 round head phillips stainless steel |
$0.99
|
2 |
|
ships same day |
4 |
273-6759
|
24 inch deck frame |
$605.00
|
1 |
|
usually ships 1-5 days |
5 |
999-0423
|
Nut 5/16-18 nylon insert lock stainless steel |
$0.99
|
3 |
|
ships same day |
6 |
273-2014
|
Deflector |
$195.80
|
1 |
|
usually ships 1-5 days |
7 |
173-8586
|
Nylon brush - CYLINDRICAL |
$747.40
|
2 |
|
usually ships 11-15 days |
9 |
999-9092
|
Screw M8-1.25 x 20mm hex head stainless steel |
$2.79
|
8 |
|
ships same day |
10 |
273-2012
|
Pad |
$5.50
|
4 |
|
usually ships 11-15 days |
11 |
999-0893
|
Screw 5/16-18 x 2 hex head stainless steel |
$0.99
|
2 |
|
ships same day |
12 |
173-4184
|
Knob |
$67.10
|
2 |
|
usually ships 11-15 days |
13a |
173-4186
|
36V brush motor |
$1,292.50
|
1 |
(includes 13b and 13c) |
usually ships 11-15 days |
13b |
173-1576
|
Carbon brush (pkg of 4) |
$83.57
|
|
|
ships same day |
13c |
173-4187
|
Gearbox gasket |
$22.99
|
|
|
usually ships 1-5 days |
14 |
999-1232
|
Screw 5/16-18 x 3/4 hex head stainless steel |
$0.99
|
3 |
|
ships same day |
15 |
273-2013
|
Deflector retainer |
$105.60
|
1 |
|
usually ships 1-5 days |
16 |
999-0549
|
Washer 5/16 x 3/4 SAE flat stainless steel |
$0.99
|
12 |
|
ships same day |
17 |
999-0674
|
Washer M8 split lock plain finish |
$0.99
|
18 |
|
ships same day |
18 |
999-9092
|
Screw M8-1.25 x 20mm hex head stainless steel |
$2.79
|
12 |
|
ships same day |
19 |
999-0998
|
Washer #10 flat stainless steel |
$0.99
|
4 |
|
ships same day |
20 |
999-0442
|
Nut 10-24 nylon insert lock stainless steel |
$1.76
|
4 |
|
ships same day |
21 |
273-6760
|
Hopper |
$466.40
|
1 |
|
usually ships 1-5 days |
22 |
999-0294
|
Nut 1/4-20 hex nylon lock type NE stainless steel |
$1.18
|
2 |
|
ships same day |
23 |
999-0123
|
Washer 1/4 SAE flat zinc plated |
$0.99
|
4 |
|
ships same day |
24 |
273-2010
|
Stop mount |
$41.36
|
1 |
|
usually ships 1-5 days |
25 |
999-0342
|
Screw 1/4-20 x 1 pan head phillips stainless steel |
$0.99
|
2 |
|
ships same day |
26 |
173-1929
|
Hose barb |
$11.19
|
1 |
|
usually ships 1-5 days |
27 |
273-6763
|
Pink metering tip |
$12.36
|
1 |
|
usually ships 1-5 days |
28 |
273-6762
|
Bushing |
$6.55
|
1 |
|
usually ships 1-5 days |
29 |
173-2103
|
Hosebarb |
$35.19
|
1 |
|
usually ships 11-15 days |
30 |
173-2102
|
115V solenoid valve assembly |
$410.77
|
1 |
|
usually ships 11-15 days |
31 |
273-6761
|
Injector |
$333.09
|
1 |
|
usually ships 11-15 days |
32 |
173-2701
|
90 degree elbow female fitting |
$26.84
|
1 |
|
usually ships 1-5 days |
33 |
273-6764
|
Water nozzle assembly |
$13.75
|
1 |
|
usually ships 1-5 days |
34 |
173-4185
|
Nut M8-1.25 hex jam stainless steel |
$4.13
|
2 |
|
usually ships 1-5 days |
35 |
999-1621
|
Screw M8-1.25 x 30mm socket head stainless steel |
$2.30
|
8 |
|
usually ships 1-5 days |
36 |
173-7455
|
Washer #10 x 9/16 |
$2.76
|
6 |
|
usually ships 1-5 days |
37 |
173-4182
|
Drive housing |
$253.06
|
2 |
|
usually ships 11-15 days |
38 |
173-4183
|
Brush door (OBSOLETE) |
$80.91
|
2 |
|
usually ships 11-15 days |
39 |
173-4179
|
Brush hub |
$64.15
|
2 |
|
usually ships 11-15 days |
40 |
173-4181
|
Snap ring |
$8.59
|
2 |
|
usually ships 11-15 days |
41 |
173-4180
|
Ball bearing |
$51.79
|
4 |
|
usually ships 11-15 days |
42 |
173-4178
|
Washer M6 flat plated (OBSOLETE) |
$1.45
|
4 |
|
usually ships 11-15 days |
43 |
999-0876
|
Washer M6 split lock plain finish |
$0.99
|
4 |
|
ships same day |
44 |
999-1312
|
Screw M6-1 x 20mm hex head stainless steel |
$0.99
|
4 |
|
ships same day |
45 |
173-4175
|
Brush drive hub |
$49.28
|
2 |
|
usually ships 11-15 days |
46 |
173-4176
|
Washer M16 split lock |
$5.94
|
2 |
|
usually ships 11-15 days |
47 |
173-1856
|
Square keyway |
$4.38
|
2 |
|
usually ships 11-15 days |
48 |
273-3820
|
11 inch cable tie |
$0.41
|
3 |
|
ships same day |