EXPERT
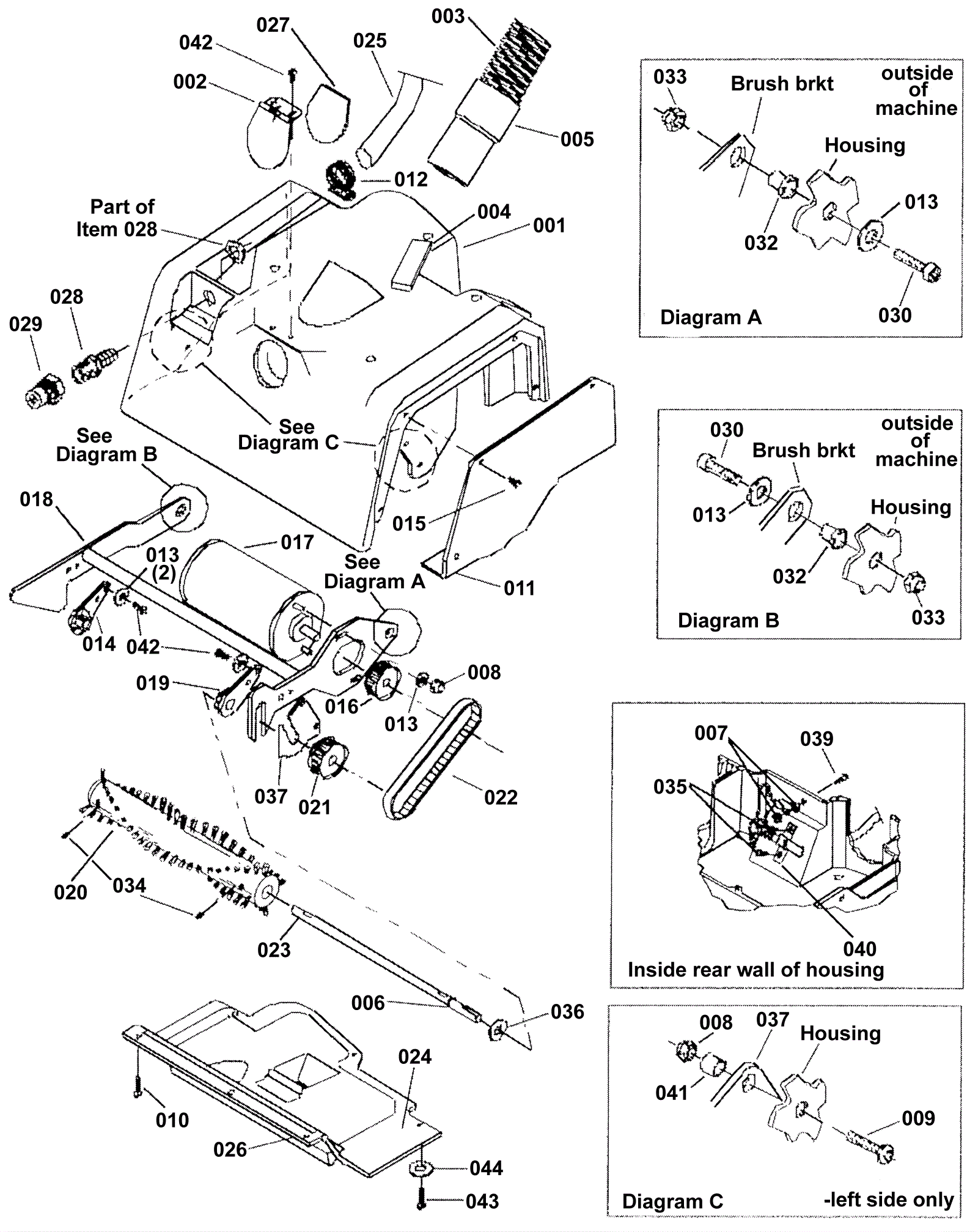
Brush/Brush Motor/Frame
Click to enlarge
#
Part
Description
Price
Req
Notes
Availability
022
173-9711
Brush drive belt
$42.25
1
usually ships 11-15 days