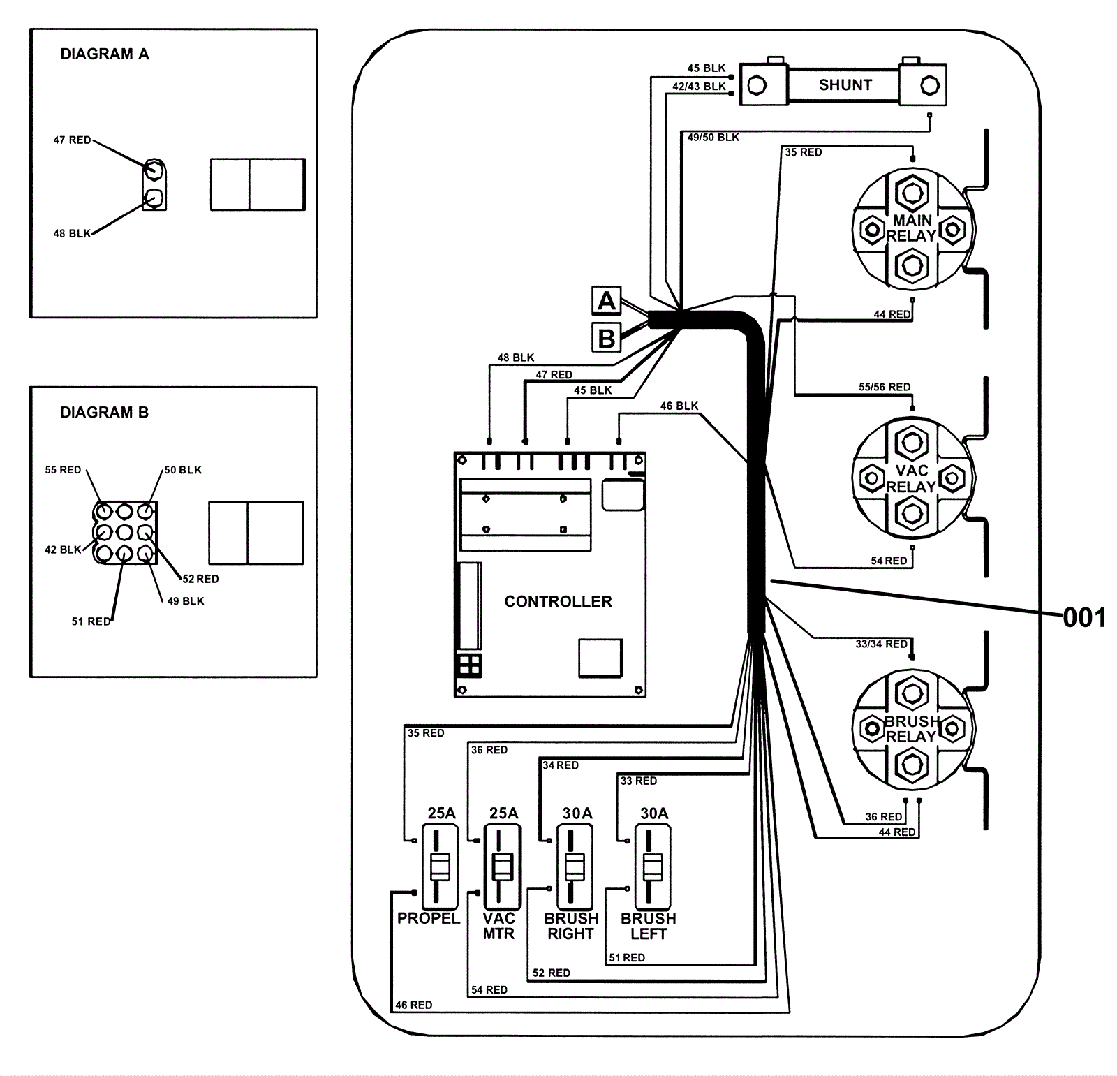
Wiring Group-Motor Harness
Click to enlarge