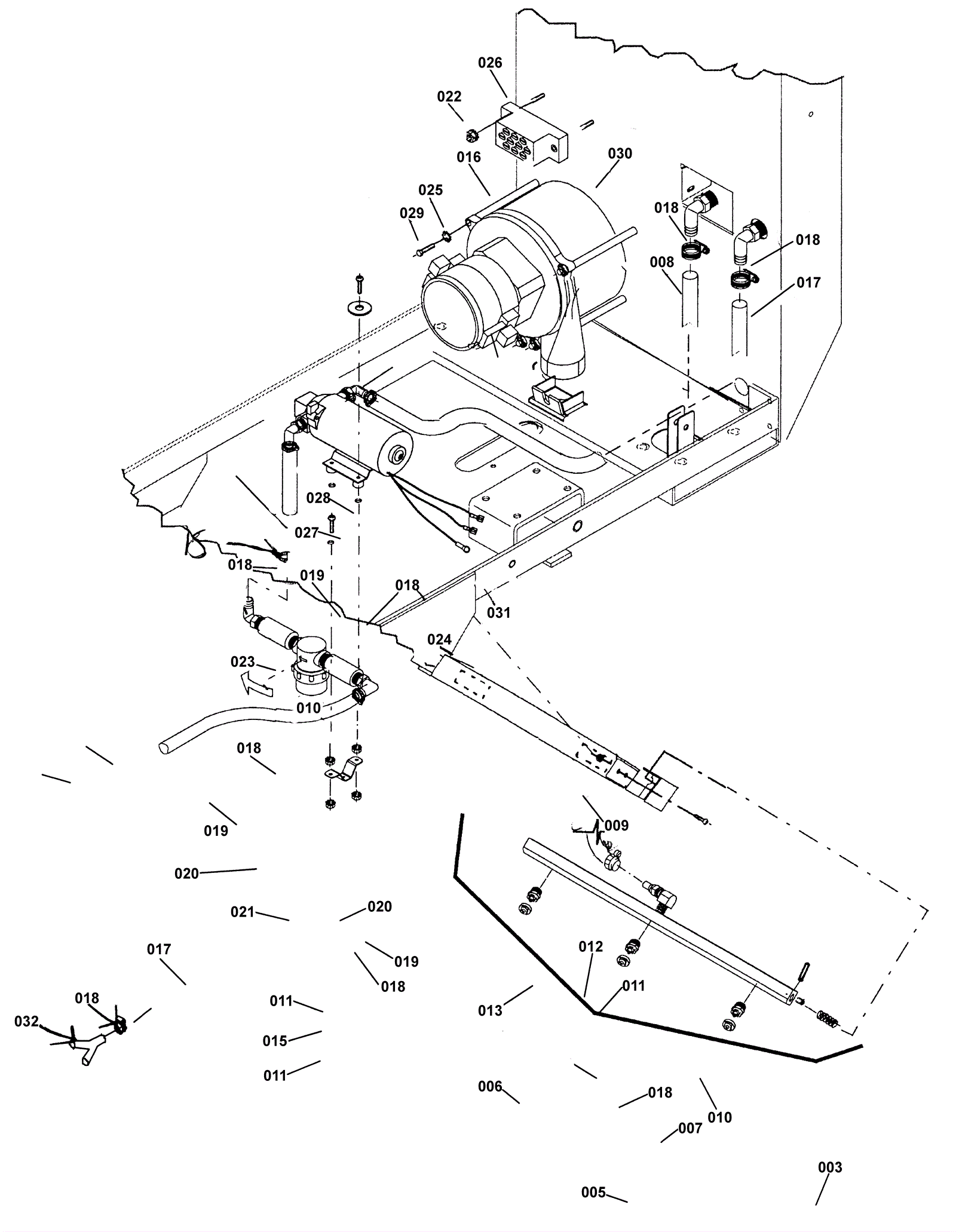
| # | Part | Description | Price | Req | Notes | Availability |
001 |
173-0353
|
Bumper |
$69.44
|
1 |
|
usually ships 1-5 days |
002 |
173-2090
|
1/8 plug (OBSOLETE) |
$6.49
|
2 |
|
usually ships 11-15 days |
003 |
173-2206
|
Roll pin |
$1.84
|
1 |
|
usually ships 11-15 days |
004 |
173-2680
|
Mini quick replacement jet |
$37.66
|
3 |
|
usually ships 11-15 days |
005 |
173-2086
|
Mini-quick jet body with seal |
$40.96
|
3 |
|
usually ships 11-15 days |
006 |
173-0547
|
3 Jet manifold assembly (OBSOLETE) |
$91.30
|
1 |
|
usually ships 11-15 days |
007 |
173-2096
|
Hosebarb |
$19.31
|
1 |
|
usually ships 11-15 days |
008 |
173-0568
|
Hose |
$5.39
|
1 |
|
usually ships 1-5 days |
009 |
173-7116
|
Main frame (OBSOLETE) |
$827.37
|
1 |
|
usually ships 1-5 days |
010 |
999-1044
|
Screw 10-32 x 3/4 pan head phillips stainless steel |
$0.99
|
5 |
|
ships same day |
011 |
173-2472
|
Nut 10-32 with star washer |
$0.99
|
8 |
|
usually ships 1-5 days |
012 |
173-0555
|
Tape |
$4.73
|
2 |
|
usually ships 1-5 days |
013 |
173-0565
|
Manifold bracket |
$108.35
|
1 |
|
usually ships 1-5 days |
014 |
173-0548
|
Manifold A |
$179.30
|
1 |
|
usually ships 11-15 days |
015 |
173-3048
|
valve mounting bracket |
$23.98
|
1 |
|
usually ships 1-5 days |
016 |
173-1674
|
Spacer |
$23.65
|
3 |
|
usually ships 1-5 days |
017 |
173-5019
|
Hose 3/8 Nylobraid x 13 |
$2.53
|
1 |
|
usually ships 1-5 days |
018 |
173-1821
|
Hose clamp |
$6.83
|
8 |
|
ships same day |
019 |
204-0041
|
Fitting |
$14.28
|
4 |
|
usually ships 12-17 days |
020 |
173-0556
|
Coupler |
$24.24
|
2 |
|
usually ships 1-5 days |
022 |
173-2522
|
Nut 6-32 with star washer |
$0.99
|
2 |
|
usually ships 1-5 days |
023 |
173-1571
|
Nylon hose 3/8 x 2 inch |
$68.27
|
1 |
|
usually ships 1-5 days |
024 |
173-7117
|
Pump assembly |
$769.76
|
1 |
|
usually ships 1-5 days |
025 |
999-0017
|
Washer 1/4 external star lock |
$0.99
|
3 |
|
ships same day |
026 |
173-1888
|
Terminal block |
$59.44
|
1 |
|
usually ships 11-15 days |
027 |
999-0998
|
Washer #10 flat stainless steel |
$0.99
|
4 |
|
ships same day |
028 |
999-0359
|
Screw 10-32 x 1 1/4 pan head phillips zinc plated |
$0.99
|
4 |
|
ships same day |
029 |
999-1032
|
Screw 1/4-20 x 5/8 hex head stainless steel |
$0.99
|
3 |
|
ships same day |
030a |
173-7118
|
120V vacuum motor assembly |
$820.37
|
1 |
(OEM) |
usually ships 1-5 days |
030b |
991-1204
|
120V 3 stage vacuum motor tangential with snout |
$231.61
|
1 |
(NON-OEM) |
usually ships 18-24 days |
031 |
173-2327
|
vacuum motor brush set (OBSOLETE) |
$86.90
|
1 |
|
usually ships 11-15 days |
032 |
173-7119
|
Nylon hosebarb inchY inch fitting 3/8 |
$5.50
|
1 |
|
usually ships 1-5 days |