| # | Part | Description | Price | Req | Notes | Availability |
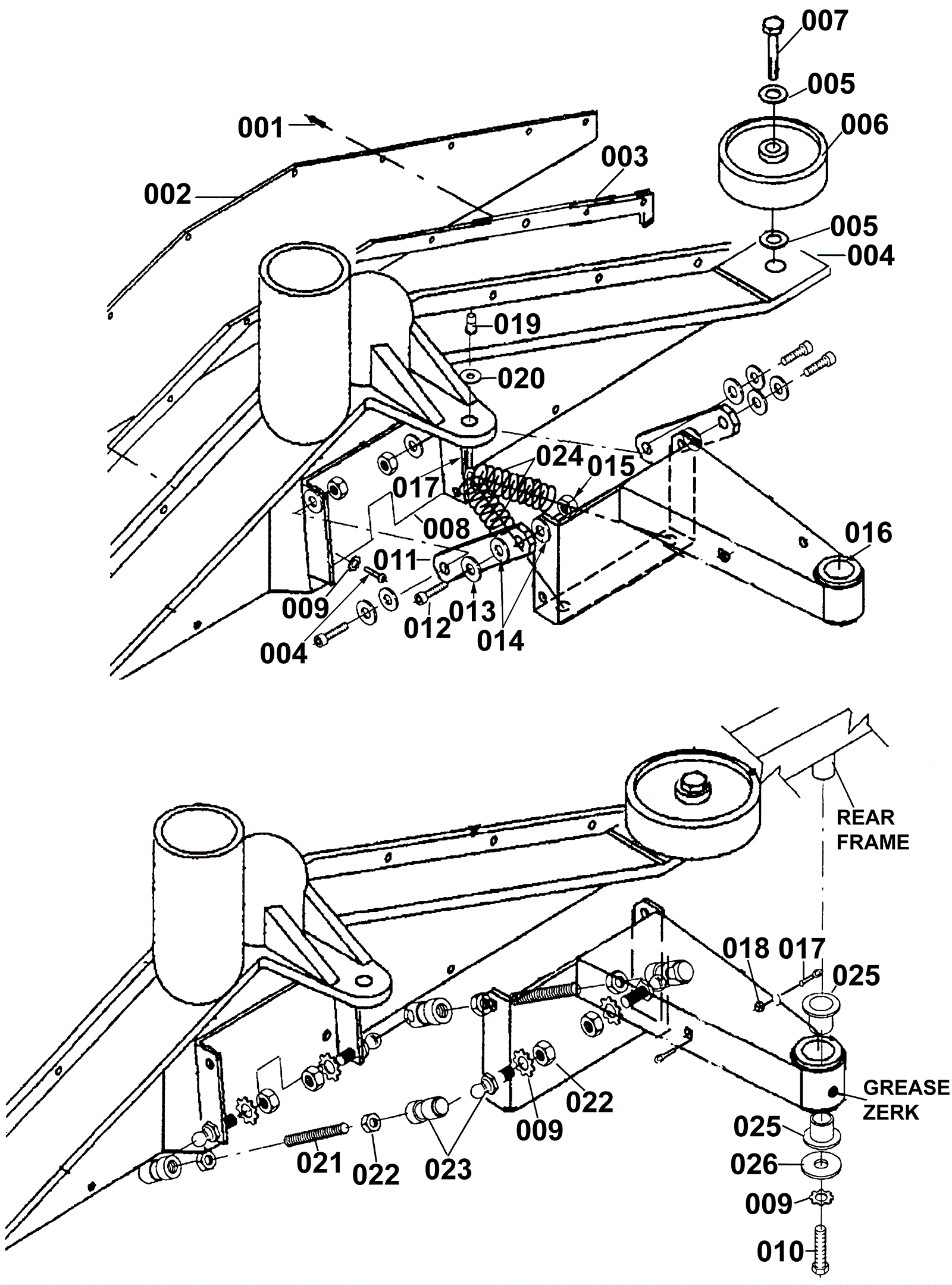
001 |
173-2549
|
Bolt 10-32 x 3/8 hex head thread rolling with star washer |
$0.99
|
13 |
|
usually ships 11-15 days |
002 |
173-0601
|
Vacuum shoe cover plate |
$130.90
|
1 |
|
usually ships 1-5 days |
003 |
173-0602
|
Vacuum shoe plate gasket |
$28.60
|
1 |
|
usually ships 1-5 days |
004 |
173-0603
|
28 inch vacuum shoe |
$639.10
|
1 |
|
usually ships 1-5 days |
005 |
999-0617
|
Washer 3/8 x 1 flat stainless steel |
$1.82
|
4 |
|
ships same day |
006 |
189-0326
|
Bumper wheel |
$29.04
|
2 |
|
usually ships 12-17 days |
007 |
173-0503
|
Screw 3/8-16 x 1-3/4 hex head cap screw |
$2.40
|
2 |
|
usually ships 1-5 days |
008 |
173-0604
|
Vac shoe linkage plated bracket |
$37.66
|
1 |
|
usually ships 1-5 days |
009 |
999-0017
|
Washer 1/4 external star lock |
$0.99
|
9 |
|
ships same day |
010 |
999-1032
|
Screw 1/4-20 x 5/8 hex head stainless steel |
$0.99
|
1 |
|
ships same day |
011 |
173-0605
|
Squeegee arm assembly |
$41.07
|
2 |
|
usually ships 1-5 days |
012 |
173-5107
|
Bolt 5/16 x 3/8 shoulder |
$10.71
|
4 |
|
usually ships 1-5 days |
013 |
999-0549
|
Washer 5/16 x 3/4 SAE flat stainless steel |
$0.99
|
4 |
|
ships same day |
014 |
999-1007
|
Washer 3/8 x 1/16 flat nylon |
$0.99
|
8 |
|
ships same day |
015 |
999-0152
|
Nut 1/4-20 nylon insert lock zinc plated |
$0.99
|
4 |
|
ships same day |
016 |
173-0606
|
Vacuum shoe pivot bracket assembly |
$121.24
|
1 |
|
usually ships 1-5 days |
017 |
173-0607
|
Eyebolt 8-32 x 1 |
$5.50
|
3 |
|
usually ships 1-5 days |
018 |
999-0151
|
Nut 8-32 nylon insert lock zinc plated |
$1.10
|
2 |
|
ships same day |
019 |
173-0608
|
Vacuum shoe adjustment knob (OBSOLETE) |
$22.39
|
1 |
|
usually ships 1-5 days |
020 |
999-0998
|
Washer #10 flat stainless steel |
$0.99
|
1 |
|
ships same day |
021 |
999-1048
|
Screw 1/4-28 x 2 1/2 round head slotted |
$5.30
|
2 |
|
ships same day |
022 |
999-0952
|
Nut 1/4-28 hex stainless steel |
$0.99
|
8 |
|
ships same day |
023 |
173-0609
|
Ball joint assembly (OBSOELTE) |
$29.59
|
4 |
|
usually ships 11-15 days |
024 |
173-1478
|
Extension spring |
$12.83
|
2 |
|
ships same day |
025 |
173-0610
|
Flanged bushing |
$13.65
|
2 |
|
usually ships 1-5 days |
026 |
999-0016
|
Washer 1/4 flat plain finish |
$0.99
|
1 |
|
ships same day |