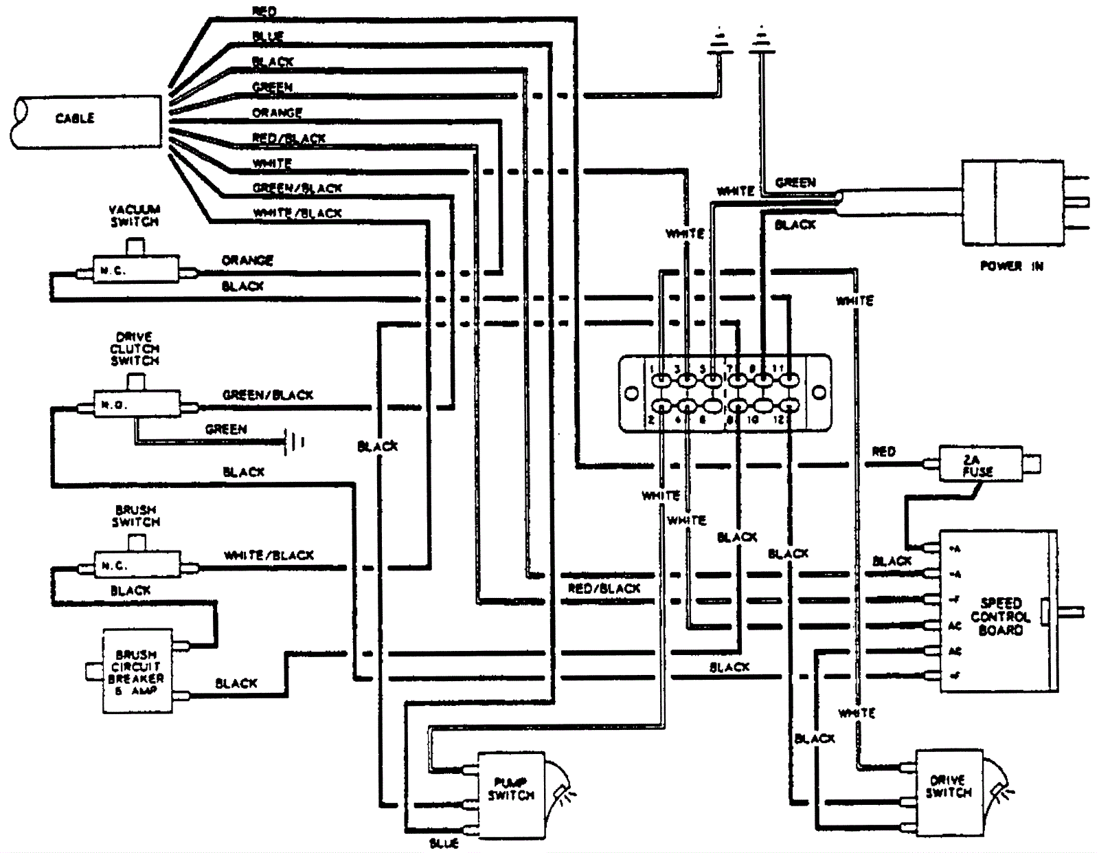
Control Panel Wiring Diagram - 115V
Click to enlarge