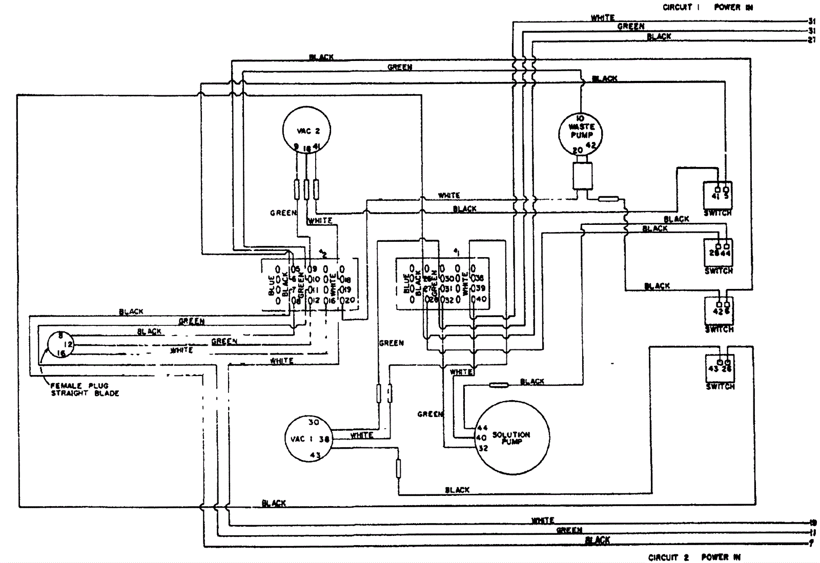
Electrical Circuit Identification
Click to enlarge