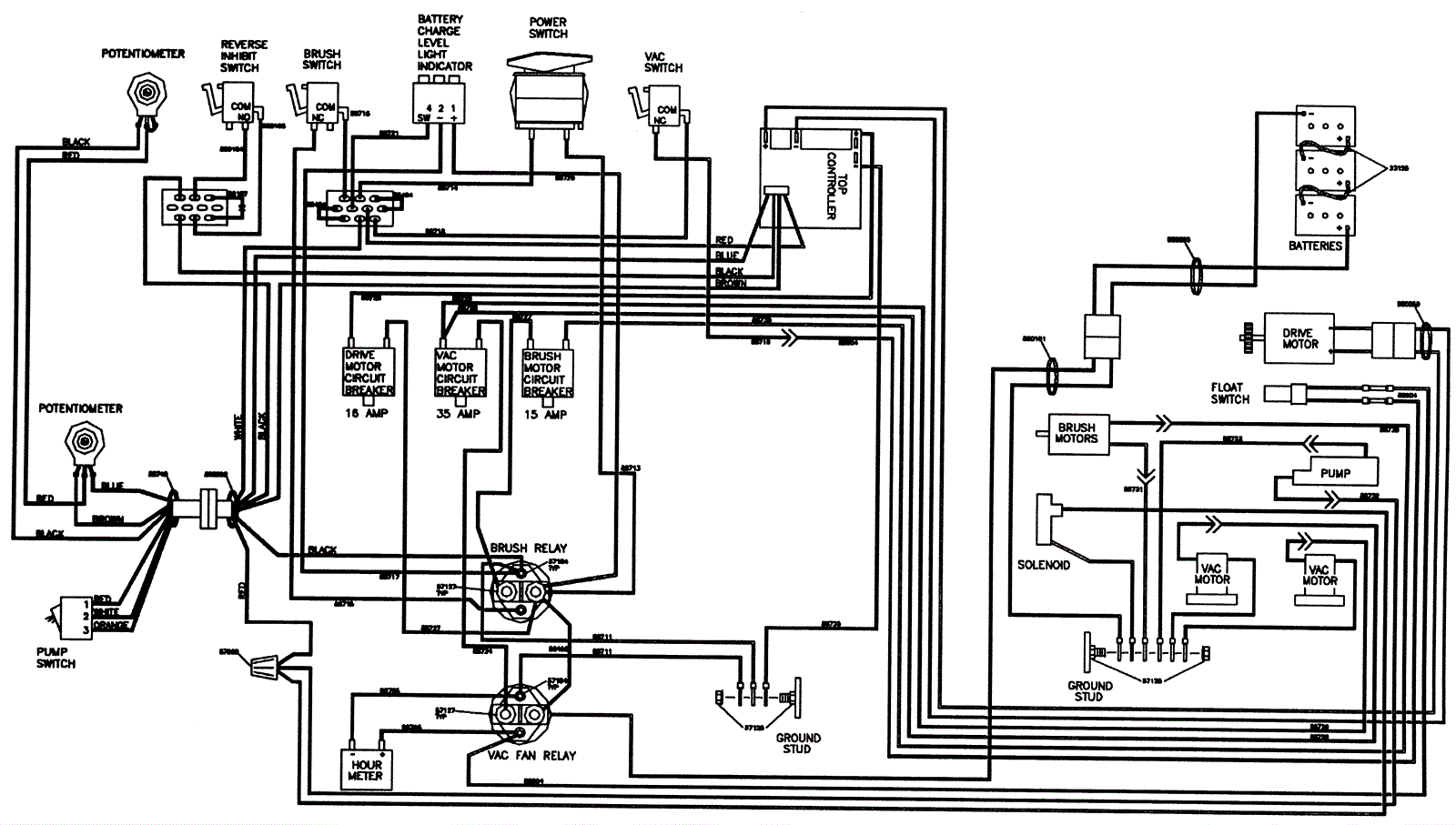
VOYAGER 2
Wiring Diagram
Click to enlarge
#
Part
Description
Req
Notes
Availability
N/S
162-0002
12V 185Ah wet battery (SNSR)
3
usually ships 25-34 days