TRIAD
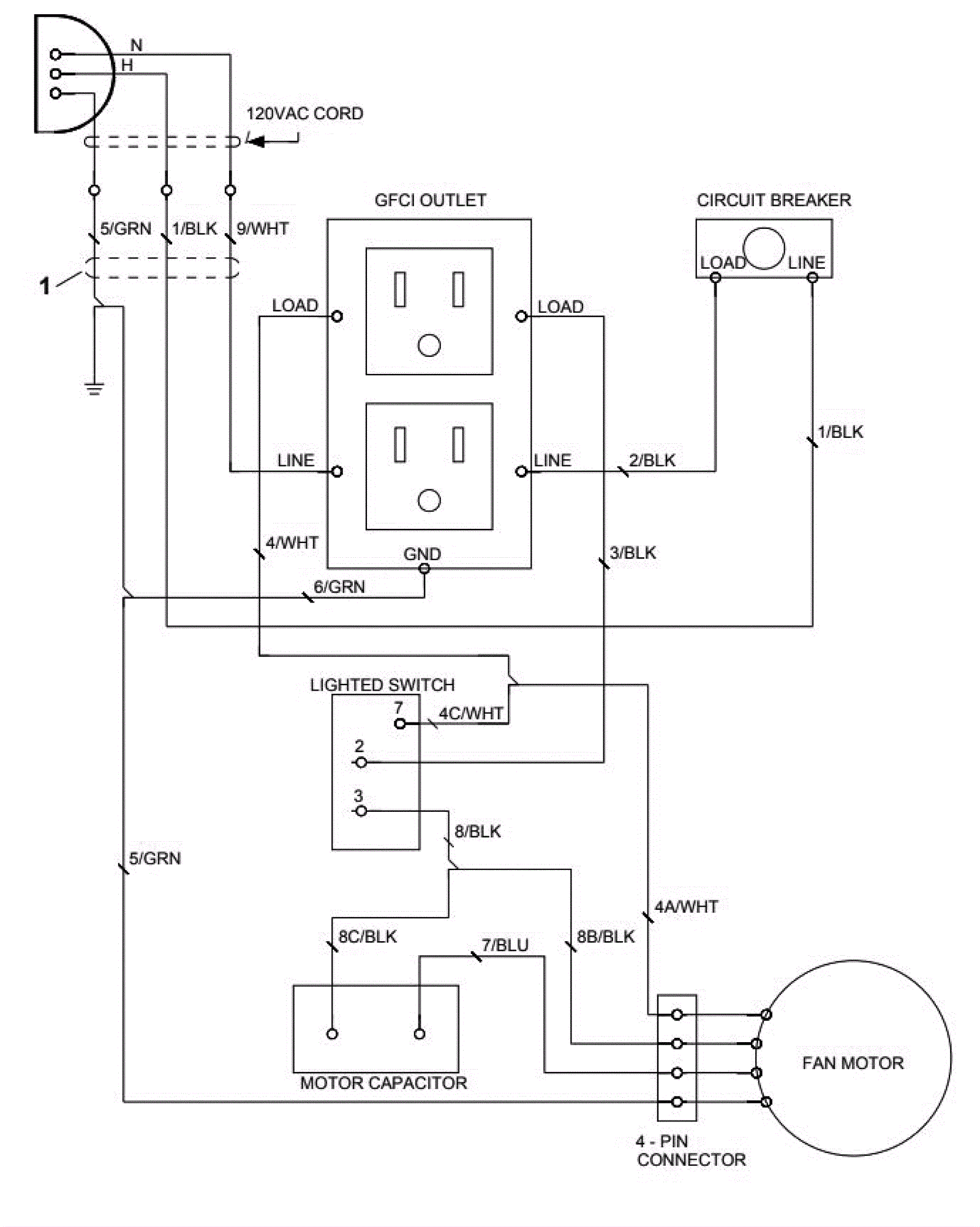
Wiring Diagram
Click to enlarge
#
Part
Description
Price
Req
Notes
Availability
1
273-8589
Air mover harness
$59.40
1
usually ships 11-15 days