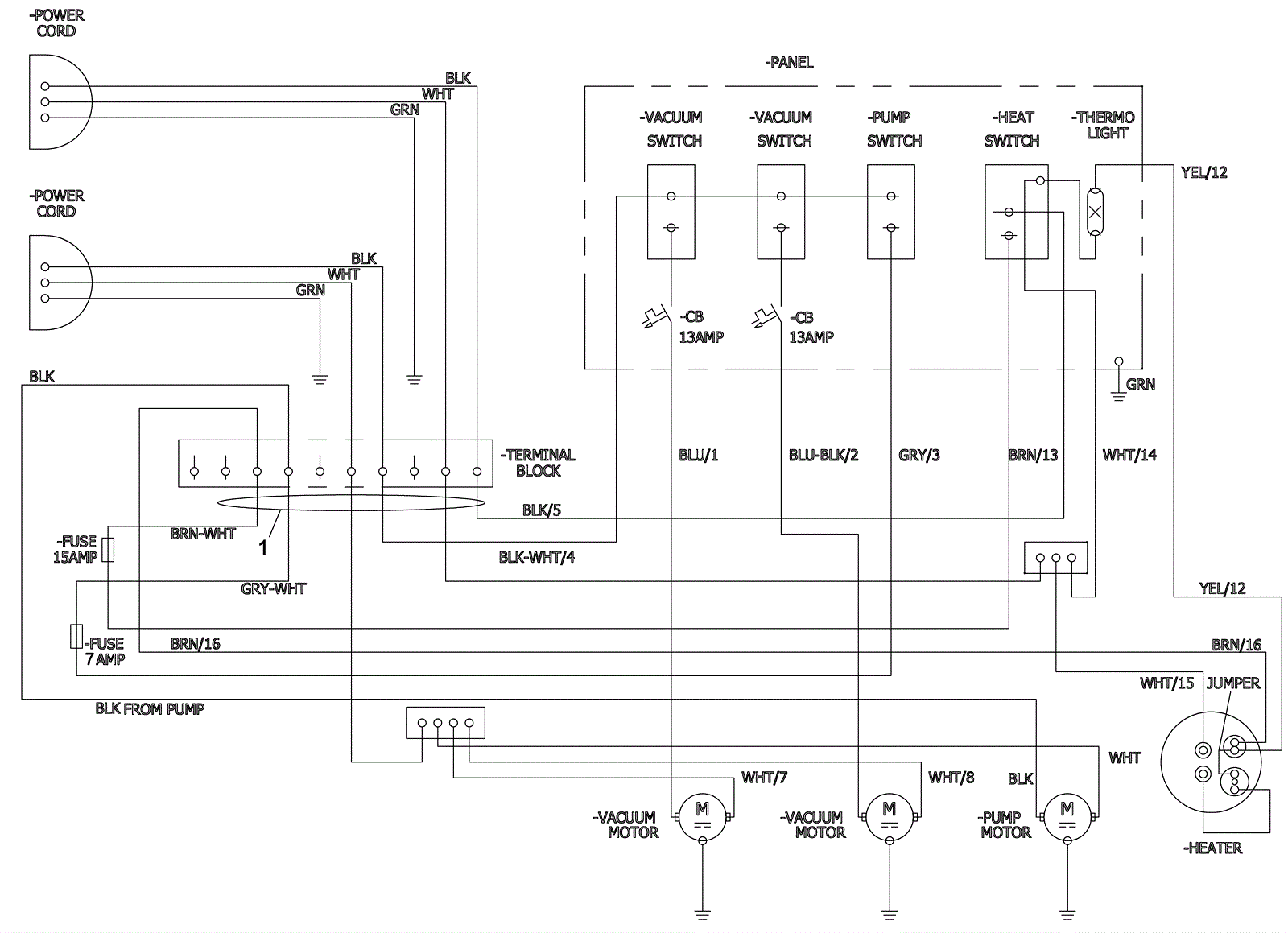
Wiring Diagram with Heat - Dual Vac
Click to enlarge
#
Part
Description
Price
Req
Notes
Availability
1
273-6949
Heated harness kit
$196.56
1
usually ships 1-5 days