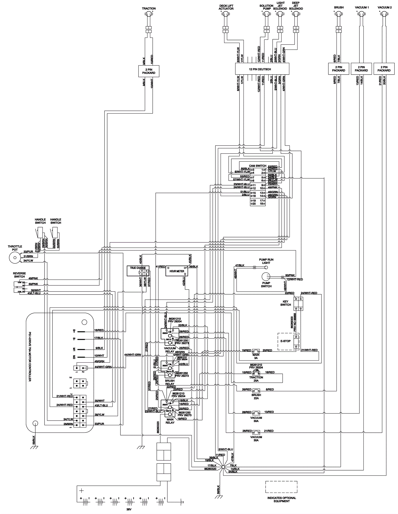
Wiring Diagram - Basic
Click to enlarge