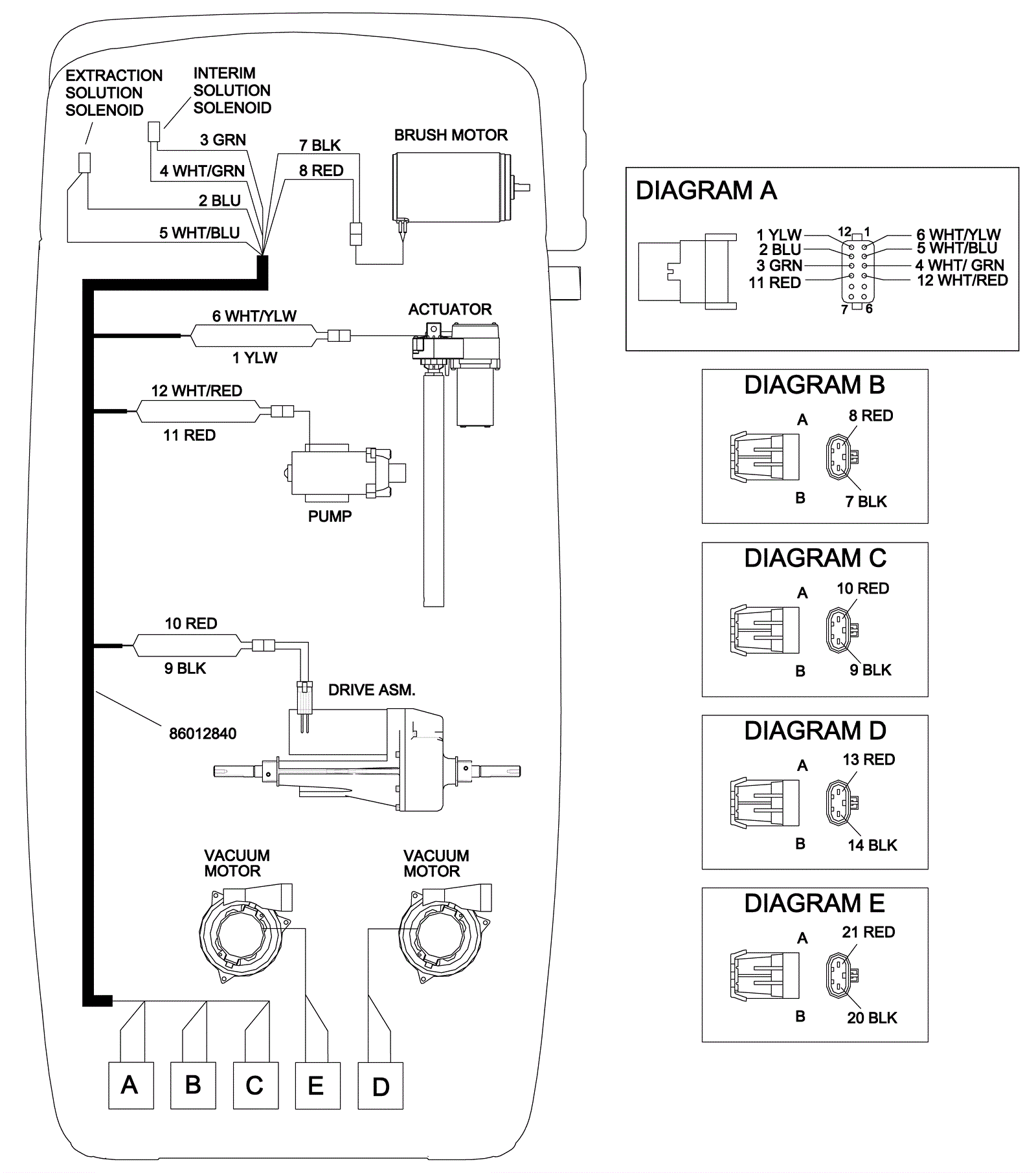
Wiring - Main Harness - Basic
Click to enlarge