| # | Part | Description | Price | Req | Notes | Availability |
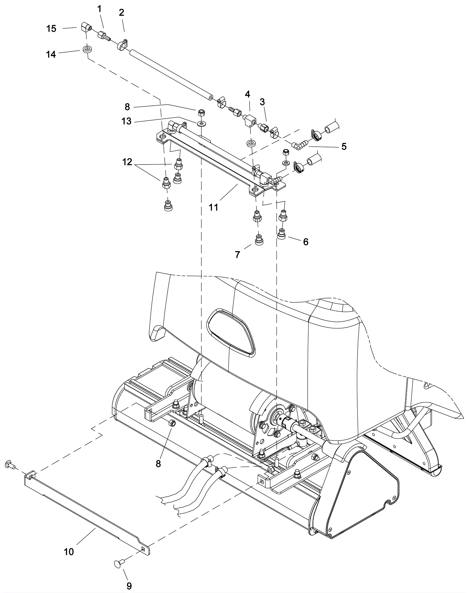
1 |
173-9751
|
Hosebarb 1/8 x 1/4 inch |
$17.53
|
4 |
|
usually ships 11-15 days |
2 |
173-2741
|
Hose clamp |
$2.76
|
6 |
|
usually ships 11-15 days |
3 |
173-2672
|
Adapter 1/8 x 1/8 |
$8.36
|
1 |
|
usually ships 11-15 days |
4 |
273-5716
|
1/8 inch street run tee nickel plated thread |
$12.24
|
2 |
|
usually ships 11-15 days |
5 |
273-5715
|
Hosebarb 1/8 x 1/4 inch |
$20.01
|
2 |
|
usually ships 11-15 days |
6 |
173-5419
|
Spray nozzle (rear) |
$56.02
|
2 |
|
ships same day |
7 |
173-8641
|
Promax jet 11001 |
$23.07
|
2 |
|
usually ships 11-15 days |
8 |
999-0423
|
Nut 5/16-18 nylon insert lock stainless steel |
$0.99
|
4 |
|
ships same day |
9 |
999-0967
|
Bolt 5/16-18 x 3/4 carriage head stainless steel |
$2.16
|
2 |
|
ships same day |
10 |
273-2564
|
Bumper plate |
$78.28
|
1 |
|
usually ships 1-5 days |
11 |
273-6850
|
Dual jet bracket |
$127.12
|
1 |
|
usually ships 1-5 days |
12 |
173-2210
|
Jet body |
$9.24
|
4 |
|
ships same day |
13 |
999-0549
|
Washer 5/16 x 3/4 SAE flat stainless steel |
$0.99
|
2 |
|
ships same day |
14 |
173-2555
|
Washer 7/16 x 3/16 inch rubber |
$17.66
|
4 |
|
usually ships 11-15 days |
15 |
173-2223
|
90 degree elbow |
$20.13
|
2 |
|
usually ships 11-15 days |