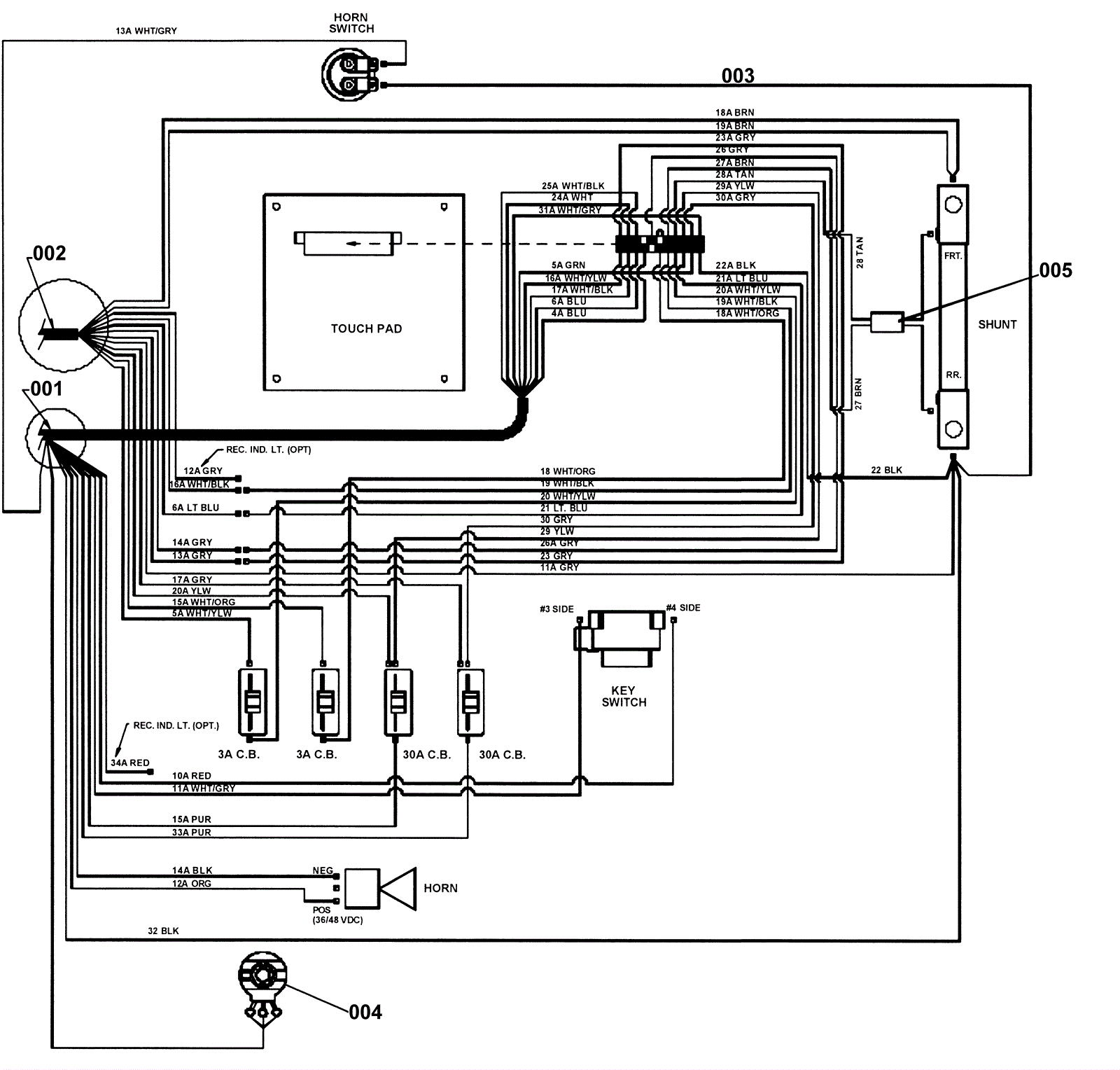
Front Main Touch Pad Panel Harness Assembly
Click to enlarge