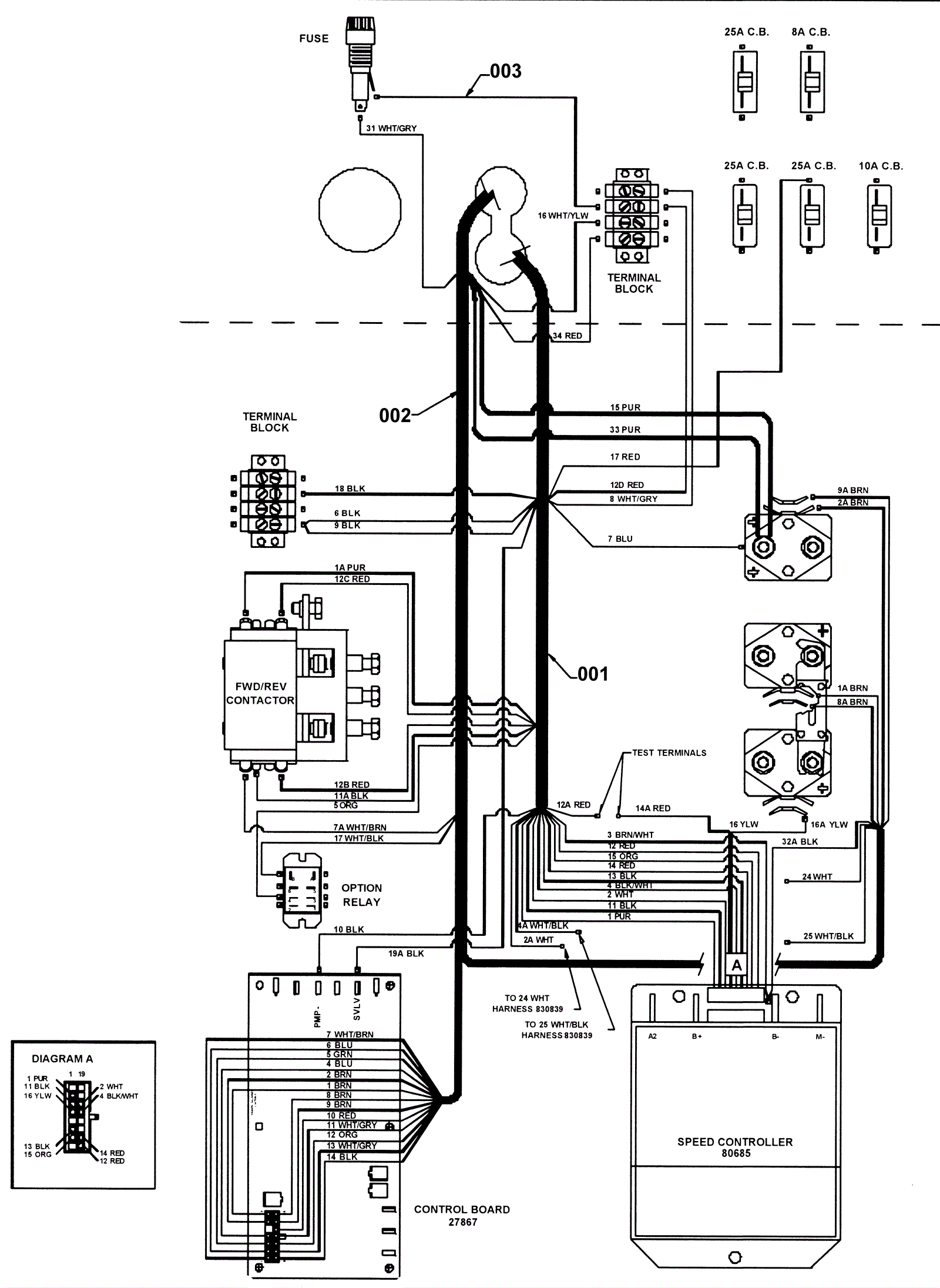
Throttle Touch Pad Harness-Main Panel Wiring Assembly
Click to enlarge