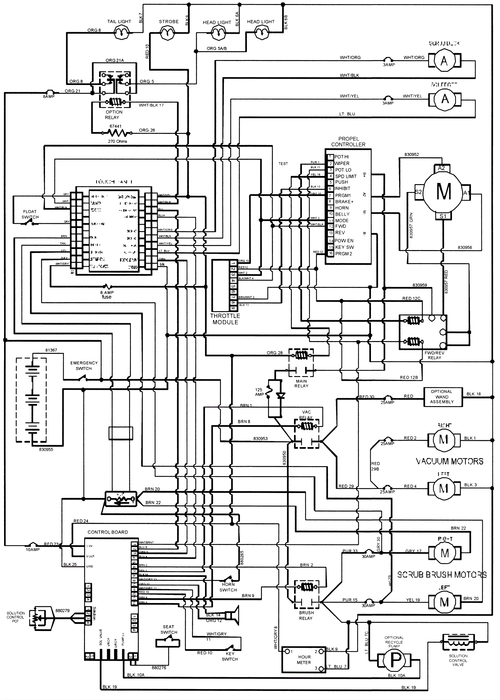
Wiring Assembly
Click to enlarge