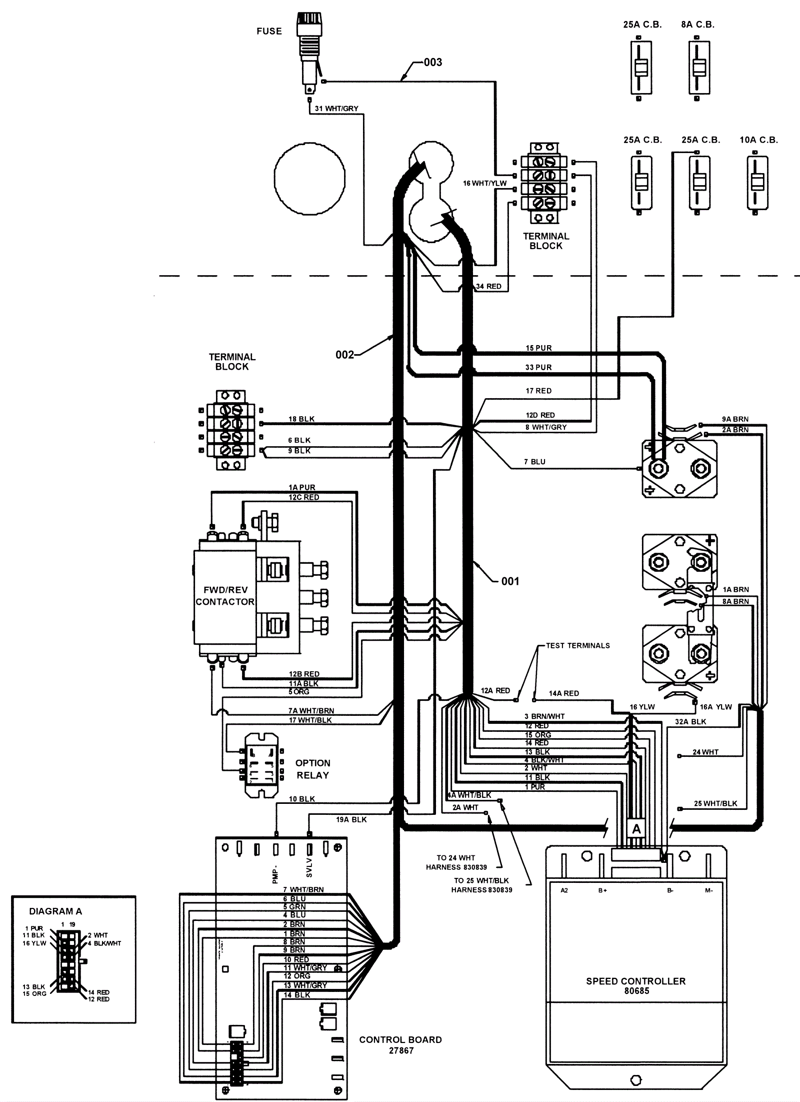
Touch Pad Harness Wiring Assembly

#PartDescriptionPriceReqNotesAvailability
001 173-8805 Touch pad harness $545.59 usually ships 1-5 days
002 173-8792 Front main harness (OBSOLETE) $1,198.93 usually ships 1-5 days
003 173-8807 11 inch wire $2.53 1 usually ships 1-5 days
004 173-8803 Wire assembly solution control $84.32 usually ships 1-5 days