# | Part | Description | Price | Req | Notes | Availability |
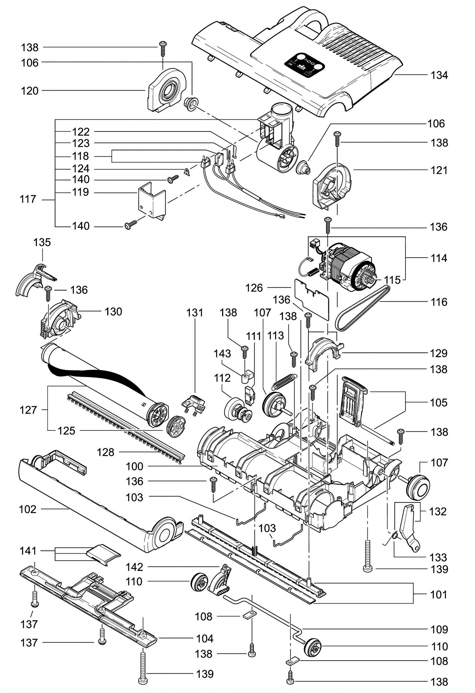
100a |
273-0134
|
14 inch chassis |
$184.79
|
1 |
(14 inch) |
usually ships 11-15 days |
100b |
273-0106
|
18 inch chassis |
$175.37
|
1 |
(18 inch) |
usually ships 11-15 days |
101a |
273-0135
|
Rear bottom plate |
$22.36
|
1 |
(14 inch) |
ships same day |
101b |
273-0107
|
Rear bottom plate |
$85.92
|
1 |
(18 inch) |
ships same day |
102a |
273-0136
|
Bumper |
$104.75
|
1 |
(14 inch) |
usually ships 11-15 days |
102b |
273-0108
|
Bumper |
$115.35
|
1 |
(18 inch) |
usually ships 11-15 days |
103 |
273-0137
|
Retaining bracket |
$5.89
|
2 |
|
usually ships 11-15 days |
104a |
273-0111
|
Bottom plate |
$55.20
|
1 |
(14 inch) |
usually ships 11-15 days |
104b |
273-0109
|
Bottom plate |
$68.86
|
1 |
(18 inch) |
usually ships 11-15 days |
105 |
273-0112
|
Foot pedal |
$83.57
|
1 |
|
ships same day |
106 |
273-0113
|
Swivel neck bearing |
$30.13
|
2 |
|
usually ships 11-15 days |
107 |
173-4235
|
Wheel |
$60.03
|
2 |
|
usually ships 11-15 days |
108 |
173-0008
|
Axle clamp |
$3.31
|
2 |
|
ships same day |
109 |
273-0115
|
Pile adjustment axle |
$54.26
|
1 |
|
usually ships 11-15 days |
110 |
173-0118
|
Pile adjustment wheel |
$21.78
|
2 |
|
usually ships 11-15 days |
111 |
173-5260
|
Thrust member |
$32.60
|
1 |
|
usually ships 11-15 days |
112 |
273-0116
|
Adjustment button |
$40.02
|
1 |
|
usually ships 11-15 days |
113 |
173-0073
|
Spring |
$5.76
|
1 |
|
usually ships 11-15 days |
114a |
173-5345
|
Brush motor |
$290.72
|
1 |
(includes 114b-115) |
usually ships 11-15 days |
114b |
173-4251
|
Carbon brush (pkg of 2) (OBSOLETE) |
$52.36
|
1 |
|
usually ships 1-5 days |
115 |
173-5354
|
Brush motor pulley |
$28.60
|
1 |
|
usually ships 11-15 days |
116 |
173-5342
|
Belt |
$25.77
|
1 |
|
ships same day |
117 |
273-0117
|
Swivel neck assembly |
$43.55
|
1 |
(includes 118-119, 122-124, 140) |
usually ships 11-15 days |
118 |
273-0118
|
Wire assembly |
$90.63
|
1 |
(wire with micro switch) |
usually ships 11-15 days |
119 |
173-0088
|
Swivel neck cover |
$15.53
|
1 |
|
usually ships 11-15 days |
120 |
273-0119
|
Right side swivel neck support |
$59.44
|
1 |
|
usually ships 11-15 days |
121 |
273-0120
|
Left side swivel neck support |
$55.55
|
1 |
|
usually ships 11-15 days |
122 |
173-0085
|
Switch lever |
$2.40
|
1 |
|
ships same day |
123 |
173-0084
|
Leaf spring |
$3.96
|
1 |
|
usually ships 11-15 days |
124 |
173-0048
|
Clamp |
$3.96
|
1 |
|
usually ships 11-15 days |
125 |
273-0121
|
Brush pulley |
$6.53
|
1 |
|
usually ships 11-15 days |
126 |
273-0122
|
120V circuit board |
$167.13
|
1 |
|
usually ships 11-15 days |
127a |
273-0123
|
14 inch brush assembly |
$62.38
|
1 |
(includes 125) (14 inch) |
ships same day |
127b |
273-0140
|
18 inch brush assembly |
$62.38
|
1 |
(includes 125) (18 inch) |
ships same day |
128a |
173-0077
|
14 inch brush strip |
$20.48
|
1 |
(14 inch) |
ships same day |
128b |
173-7508
|
14 inch heavy duty brush strip (red) |
$31.90
|
1 |
(14 inch) |
ships same day |
128c |
173-0100
|
18 inch brush strip |
$25.85
|
1 |
(18 inch) |
usually ships 8-16 days |
128d |
991-5124
|
18 inch brush strip |
$26.09
|
1 |
(NON-OEM) |
usually ships 18-24 days |
129 |
273-0124
|
Left side bearing block |
$39.44
|
1 |
|
usually ships 11-15 days |
130 |
273-0125
|
Right side bearing block |
$51.91
|
1 |
|
ships same day |
131a |
273-0126
|
Brush roller release |
$30.13
|
1 |
|
usually ships 11-15 days |
131b |
273-0127
|
Spring |
$30.13
|
2 |
|
usually ships 11-15 days |
132 |
173-0063
|
Support lever with spring |
$38.49
|
1 |
|
ships same day |
133 |
173-0064
|
Torsion spring |
$10.71
|
1 |
|
usually ships 11-15 days |
134a |
273-0138
|
Power head cover |
$193.03
|
1 |
(14 inch) |
usually ships 11-15 days |
134b |
273-0110
|
Power head |
$201.27
|
1 |
(18 inch) |
usually ships 11-15 days |
135 |
273-0129
|
Side plate |
$40.02
|
1 |
|
usually ships 11-15 days |
136 |
173-4217
|
Screw M4-.7 x 20mm self-tapping torx |
$17.53
|
3 |
|
usually ships 11-15 days |
137 |
273-0939
|
Screw M4-.7 x 12mm with washer |
$3.39
|
2 |
|
ships same day |
138 |
273-0130
|
Screw M4-.7 x 14mm |
$0.99
|
8 |
|
ships same day |
139 |
999-1518
|
Screw M4-.7 x 30mm pan head phillips zinc plated |
$1.91
|
2 |
|
ships same day |
140 |
173-0007
|
Screw M3-.5 x 13mm |
$2.05
|
2 |
|
ships same day |
141 |
273-0139
|
Access door |
$44.37
|
1 |
|
ships same day |
142 |
273-0131
|
Lever |
$23.42
|
1 |
|
usually ships 11-15 days |
143 |
273-0132
|
Leaf hinge |
$19.31
|
1 |
|
usually ships 11-15 days |