| # | Part | Description | Price | Req | Notes | Availability |
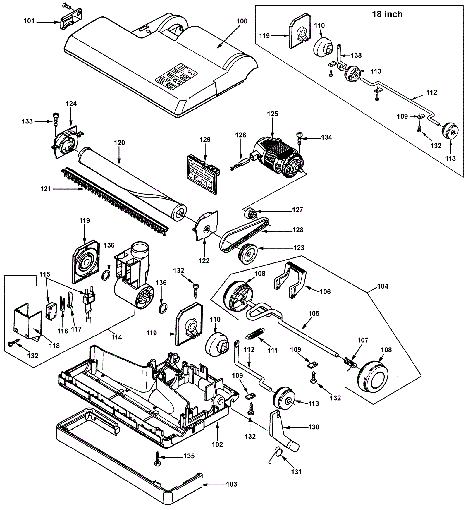
100a |
173-0082
|
Cover assembly |
$167.13
|
1 |
(14 inch) |
ships same day |
100b |
173-0215
|
Cover assembly |
$193.03
|
1 |
(18 inch) |
usually ships 11-15 days |
101 |
173-0081
|
Brush strip cover with screws |
$20.13
|
1 |
|
ships same day |
102a |
173-0006
|
14 inch chassis |
$226.02
|
1 |
(14 inch) |
usually ships 11-15 days |
102b |
173-8362
|
Chassis |
$217.75
|
1 |
(Javelin 18) |
usually ships 11-15 days |
102c |
173-0917
|
18 inch chassis assembly |
$184.79
|
1 |
(18 inch) |
usually ships 11-15 days |
103a |
173-0116
|
14 inch bumper |
$37.66
|
1 |
(14 inch) |
usually ships 11-15 days |
103b |
173-0140
|
18 inch bumper |
$45.32
|
1 |
(18 inch) |
usually ships 11-15 days |
104a |
173-0065
|
Axle assembly |
$100.05
|
1 |
(14 inch) (includes 105a, 106-108) |
usually ships 11-15 days |
104b |
173-0302
|
Axle assembly for model VSE-2 |
$111.23
|
1 |
(18 inch) (includes 105b-108) |
ships same day |
105a |
173-0066
|
Axle |
$65.91
|
1 |
(14 inch) |
ships same day |
105b |
173-0141
|
Axle |
$74.15
|
1 |
(18 inch) |
usually ships 11-15 days |
106 |
173-0069
|
Foot pedal |
$12.60
|
1 |
|
ships same day |
107 |
173-0009
|
Axle spring |
$5.50
|
1 |
|
ships same day |
108a |
173-0067
|
Wheel |
$8.54
|
2 |
(14 inch) |
ships same day |
108b |
273-0942
|
Wheel |
$23.42
|
2 |
(18 inch) |
usually ships 11-15 days |
109 |
173-0008
|
Axle clamp |
$3.31
|
2 |
|
ships same day |
110 |
173-0119
|
Pile adjustment knob |
$20.96
|
1 |
|
usually ships 1-5 days |
111 |
173-0073
|
Spring |
$5.76
|
1 |
|
usually ships 11-15 days |
112a |
173-0072
|
Pile adjustment axle |
$19.31
|
1 |
(14 inch) |
usually ships 11-15 days |
112b |
173-0143
|
Pile adjustment axle |
$29.30
|
1 |
(18 inch) |
usually ships 11-15 days |
113 |
173-0071
|
Pile adjustment wheel |
$20.13
|
1 |
|
usually ships 11-15 days |
114 |
173-2892
|
Swivel neck assembly |
$127.12
|
1 |
(includes 115-118, 132) |
ships same day |
115 |
173-0089
|
Swivel neck wire connector |
$64.15
|
1 |
|
ships same day |
116 |
173-0084
|
Leaf spring |
$3.96
|
1 |
|
usually ships 11-15 days |
117 |
173-0085
|
Switch lever |
$2.40
|
1 |
|
ships same day |
118 |
173-0088
|
Swivel neck cover |
$15.53
|
1 |
|
usually ships 11-15 days |
119 |
173-0083
|
Swivel support |
$26.84
|
2 |
|
usually ships 11-15 days |
120a |
173-0076
|
14 inch brush assy (no bearing blocks or bearings included) |
$173.02
|
1 |
(14 inch) |
ships same day |
120b |
173-0153
|
18 inch brush assy (no bearing blocks or bearings included) |
$188.32
|
1 |
(18 inch) |
ships same day |
121a |
173-0077
|
14 inch brush strip |
$20.48
|
1 |
(14 inch) |
ships same day |
121b |
173-0100
|
18 inch brush strip |
$25.85
|
1 |
(18 inch) (OEM) |
usually ships 8-16 days |
121c |
991-5124
|
18 inch brush strip |
$26.09
|
1 |
(18 inch) (NON-OEM) |
ships same day |
122 |
173-0079
|
Left hand bearing block with bearings |
$43.55
|
1 |
|
usually ships 11-15 days |
123 |
173-0080
|
Brush roller pulley |
$26.84
|
1 |
|
usually ships 11-15 days |
124a |
173-0078
|
Right hand bearing block with bearings |
$29.30
|
1 |
|
usually ships 11-26 days |
124b |
991-9172
|
BEARING BLOCK, VSM/VSE RH |
$26.64
|
|
(NON-OEM) |
usually ships 18-24 days |
125a |
173-0091
|
120V brush motor |
$358.99
|
1 |
(14 inch) |
ships same day |
125b |
173-0147
|
120V brush motor |
$142.42
|
1 |
(18 inch) |
usually ships 11-15 days |
126 |
173-0920
|
New style non-spring type carbon brush set |
$77.10
|
1 |
|
usually ships 11-15 days |
127 |
173-0092
|
Motor pulley |
$22.96
|
1 |
|
usually ships 11-15 days |
128 |
173-0002
|
Drive belt |
$22.24
|
1 |
|
usually ships 11-15 days |
129a |
173-0075
|
Electronic control board |
$167.13
|
1 |
(14 inch) |
usually ships 11-15 days |
129b |
173-0152
|
120V electronic control board |
$193.03
|
1 |
(18 inch) |
usually ships 11-15 days |
130 |
173-0063
|
Support lever with spring |
$38.49
|
1 |
|
ships same day |
131 |
173-0064
|
Torsion spring |
$10.71
|
1 |
|
usually ships 11-15 days |
132 |
173-0007
|
Screw M3-.5 x 13mm |
$2.05
|
4 |
|
ships same day |
133 |
173-0135
|
Screw M3-.5 x 16mm |
$0.99
|
1 |
|
ships same day |
134 |
173-0137
|
Screw M3-9 x 22mm |
$1.03
|
1 |
|
usually ships 11-15 days |
135 |
999-1085
|
Screw M5-.8 x 30mm pan head phillips zinc plated |
$0.99
|
1 |
|
ships same day |
136 |
173-0850
|
Spacer |
$4.60
|
2 |
|
usually ships 1-5 days |
138 |
173-0145
|
Pile adjustment lever |
$7.24
|
1 |
(18 inch) |
usually ships 11-15 days |