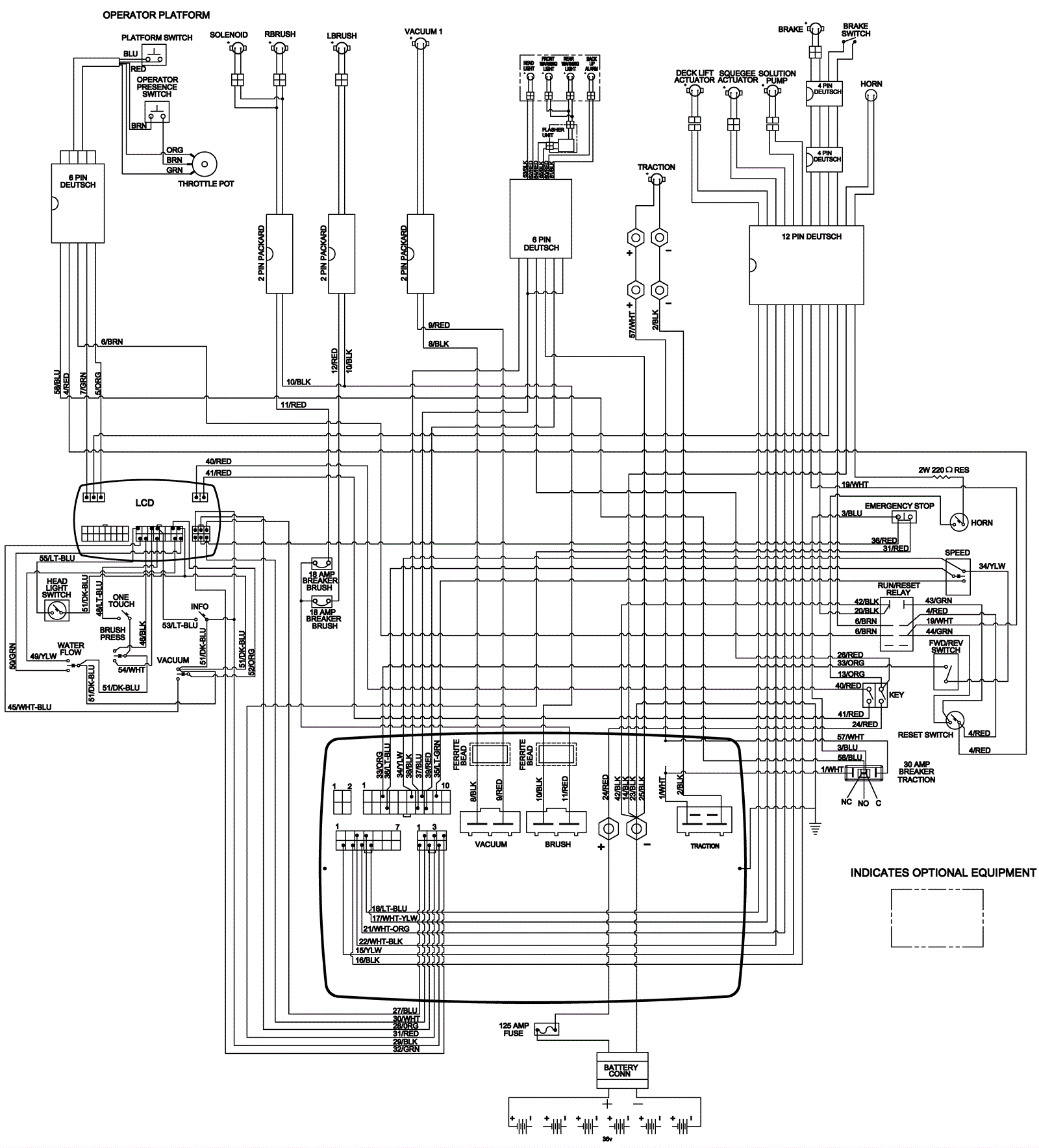
Wiring Diagram - Deluxe - Before 01.2009
Click to enlarge