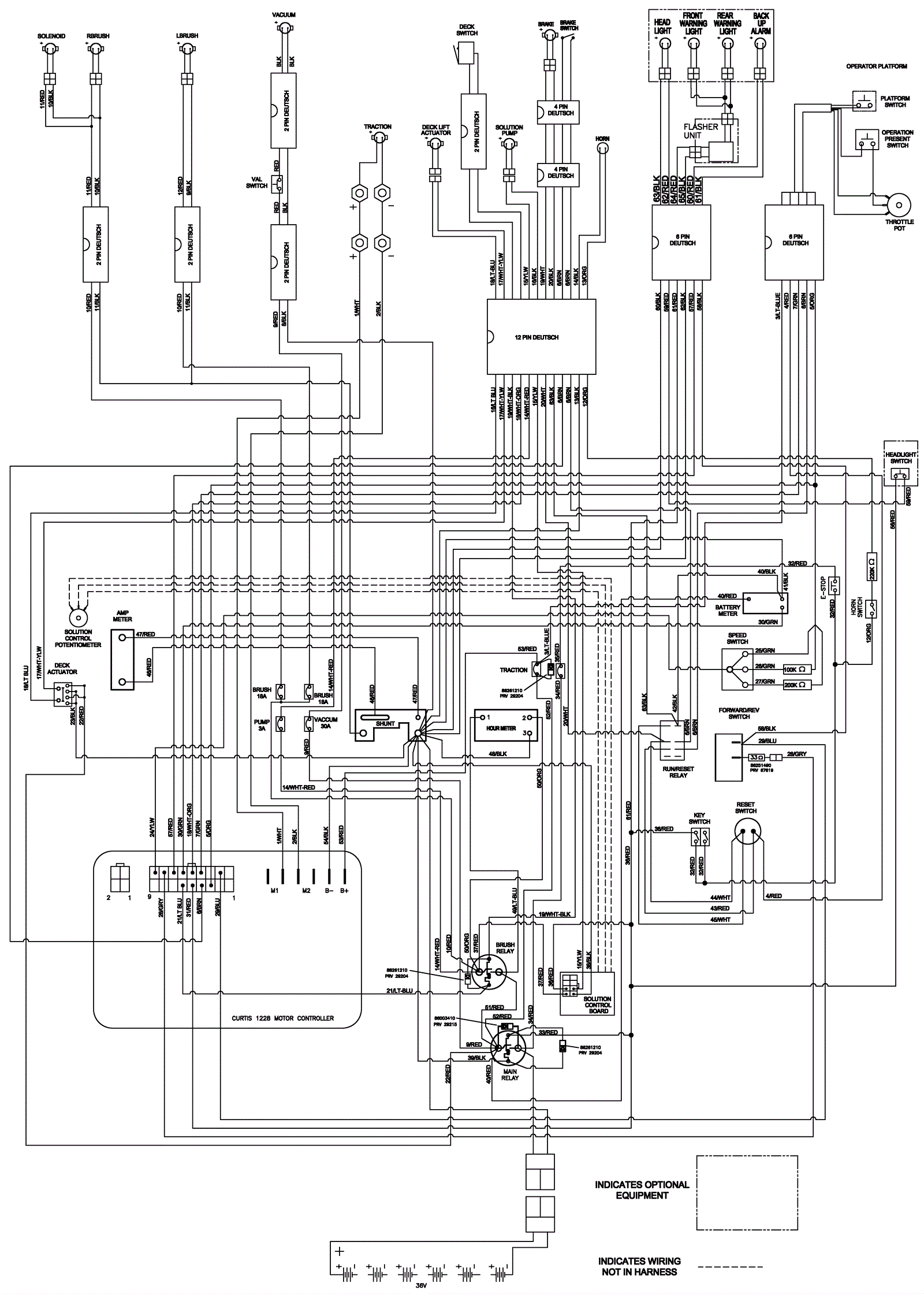
Wiring Diagram - Standard - Before 01.2009
Click to enlarge