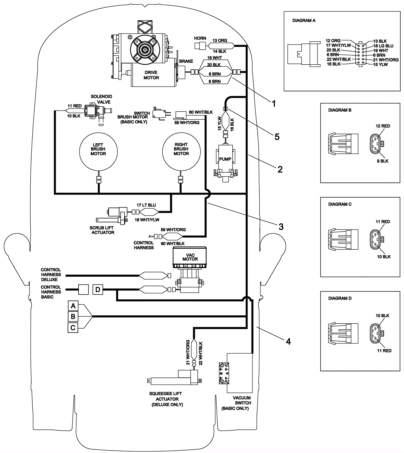
CHARIOT ISCRUB SERIES 1
Wiring Assembly - Main Harness - Before 01.2009
Click to enlarge
#
Part
Description
Price
Req
Notes
Availability
1
173-5607
Brake harness
$81.21
1
usually ships 11-15 days
2
173-6118
Main harness
$435.60
1
usually ships 11-15 days
3
173-6119
Deck switch harness
$125.94
1
(standard only)
usually ships 1-5 days
4
173-6120
Basic harness
$90.05
1
(standard only)
usually ships 1-5 days
5
173-6121
Ferrite bushing
$25.72
1
(CSE24 only)
usually ships 1-5 days