| # | Part | Description | Price | Req | Notes | Availability |
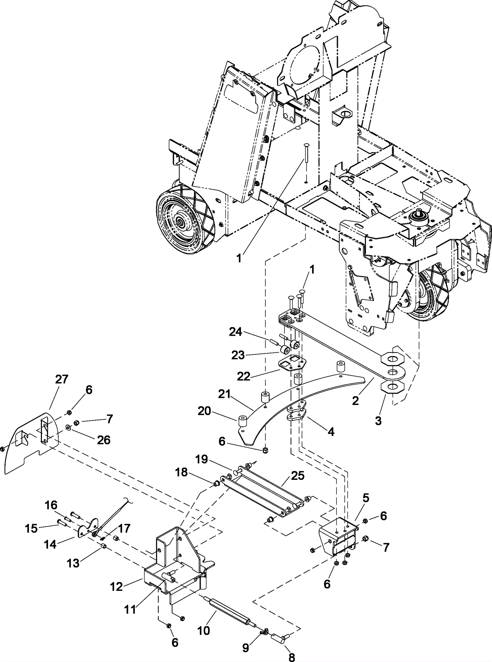
1 |
999-0404
|
Screw 5/16-18 x 1 3/4 carriage head grade 5 zinc |
$0.99
|
7 |
|
ships same day |
2 |
273-5947
|
Side pivot bracket |
$225.98
|
1 |
|
usually ships 11-15 days |
3 |
273-5948
|
Washer 1 1/4 octagon |
$46.85
|
2 |
|
usually ships 11-15 days |
4 |
273-5949
|
Spacer plate |
$39.44
|
2 |
|
usually ships 1-5 days |
5 |
273-5950
|
Pivot mounting bracket |
$133.00
|
1 |
|
usually ships 11-15 days |
6 |
999-0423
|
Nut 5/16-18 nylon insert lock stainless steel |
$0.99
|
9 |
|
ships same day |
7 |
999-1391
|
Nut 3/8-24 nylon insert lock stainless steel |
$1.18
|
2 |
|
ships same day |
8 |
173-1594
|
Right ball joint assembly |
$37.66
|
1 |
|
usually ships 11-15 days |
9 |
999-1394
|
Nut 3/8-24 wing stainless steel |
$9.88
|
1 |
|
ships same day |
10 |
273-5952
|
Adjustment rod |
$202.44
|
1 |
|
usually ships 11-15 days |
11 |
173-1584
|
Left ball joint |
$44.37
|
1 |
|
usually ships 11-15 days |
12 |
273-5953
|
Quick connect bracket |
$279.40
|
1 |
|
usually ships 11-15 days |
13 |
173-4095
|
Spacer (OBSOLETE) |
$0.99
|
2 |
|
usually ships 11-15 days |
14 |
273-5954
|
Cable retaining plate |
$23.42
|
1 |
|
usually ships 1-5 days |
15 |
173-3969
|
Bolt 5/16-18 x 1 1/4 shoulder bolt cap (OBSOLETE) |
$6.38
|
2 |
|
usually ships 11-15 days |
16 |
173-9269
|
Clevis pin |
$5.50
|
1 |
|
usually ships 1-5 days |
17 |
173-1130
|
Cotter ring |
$3.10
|
1 |
|
ships same day |
18 |
173-3116
|
Flanged bearing |
$9.06
|
4 |
|
usually ships 11-15 days |
19 |
999-0919
|
Bolt 5/16-18 x 1 1/4 carriage head stainless steel |
$1.39
|
4 |
|
ships same day |
20 |
273-5866
|
Spacer |
$33.66
|
4 |
|
usually ships 1-5 days |
21 |
273-5955
|
Swing plate |
$77.10
|
2 |
|
usually ships 11-15 days |
22 |
273-5956
|
Wheel retainer plate |
$25.19
|
1 |
|
usually ships 1-5 days |
23 |
273-5957
|
Wheel |
$48.49
|
2 |
|
usually ships 1-5 days |
24 |
273-5958
|
Pin |
$40.49
|
2 |
|
usually ships 1-5 days |
25 |
273-5959
|
Swing bracket |
$83.60
|
2 |
|
usually ships 11-15 days |
26 |
999-0120
|
Washer 3/8 SAE flat |
$0.99
|
1 |
(CSE24 after SN 10060250000006) (CSEXO24 after SN 1006030000000) (CSX24 after SN 10060270000836) (CSX24X after SN 10060280000084) (CS24 after SN 1006021000316) (CS24X after SN 100602400000023) (CSXE24 after SN 10060290000028) |
ships same day |
27 |
273-5961
|
Cable guard plate |
$53.79
|
1 |
(CSE24 after SN 10060250000006) (CSEXO24 after SN 1006030000000) (CSX24 after SN 10060270000836) (CSX24X after SN 10060280000084) (CS24 after SN 1006021000316) (CS24X after SN 100602400000023) (CSXE24 after SN 10060290000028) |
usually ships 11-15 days |