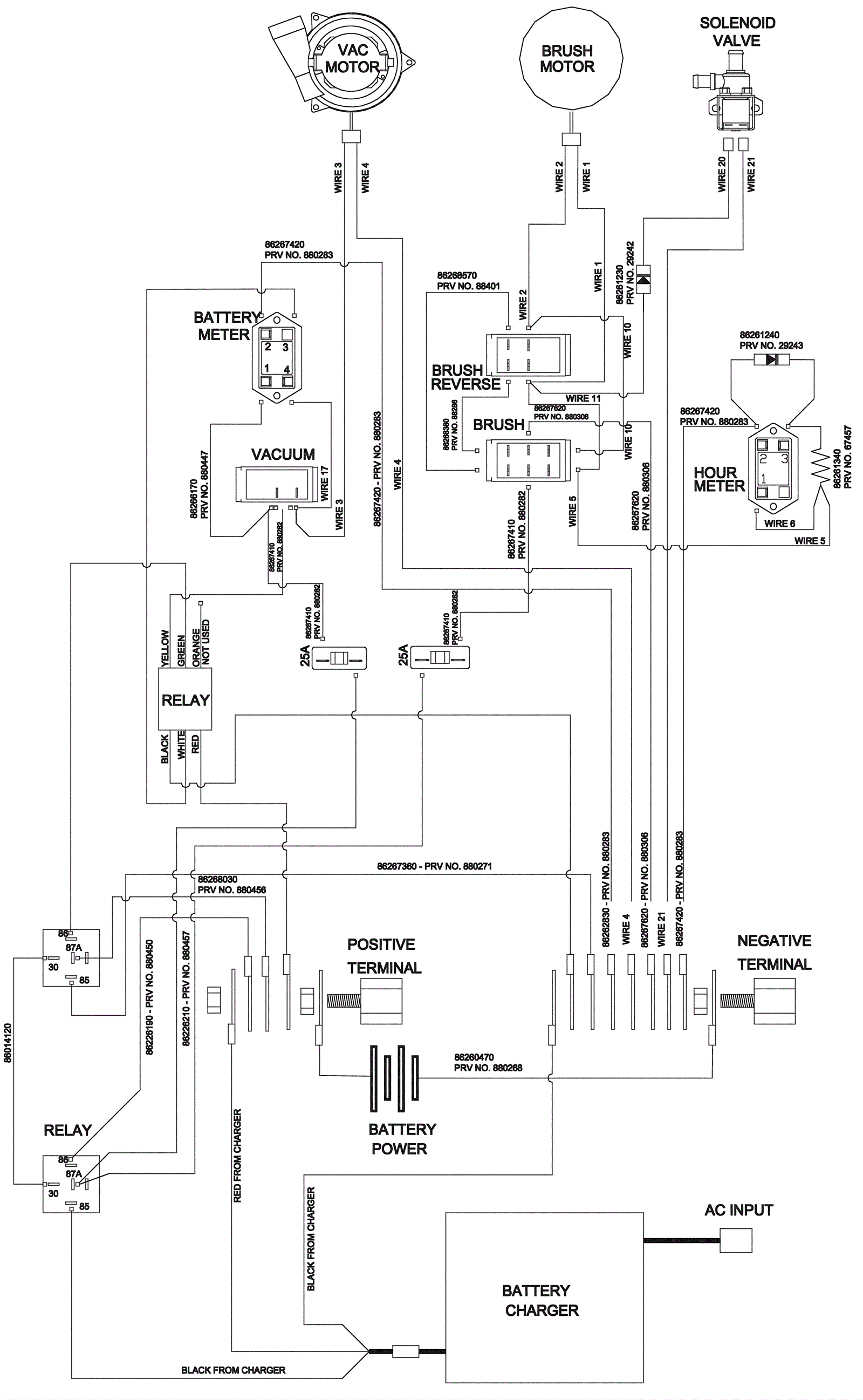
Schematic Wiring Diagram - SCHC172
Click to enlarge