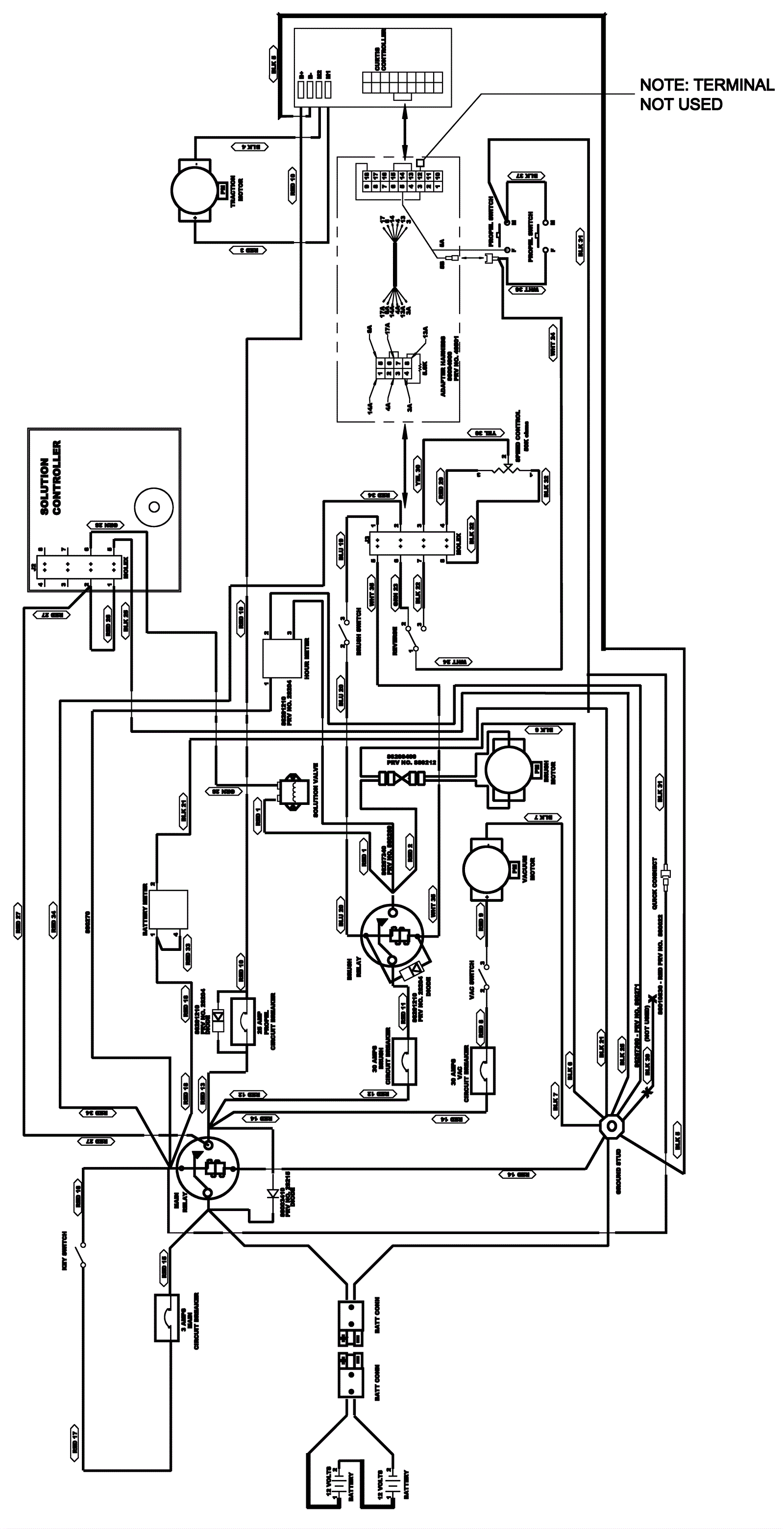
SABER DELUXE 20T
Wiring Diagram - Traction with Off Board Charger
Click to enlarge
#
Part
Description
Price
Req
Notes
Availability
173-1532
16 inch strip wire (red)
$17.53
1
usually ships 1-5 days
173-1716
Diode assembly
$57.55
2
usually ships 11-15 days
173-3132
22 inch wire (red)
$15.30
1
usually ships 1-5 days
173-5946
Adapter harness
$79.75
1
usually ships 1-5 days