| # | Part | Description | Price | Req | Notes | Availability |
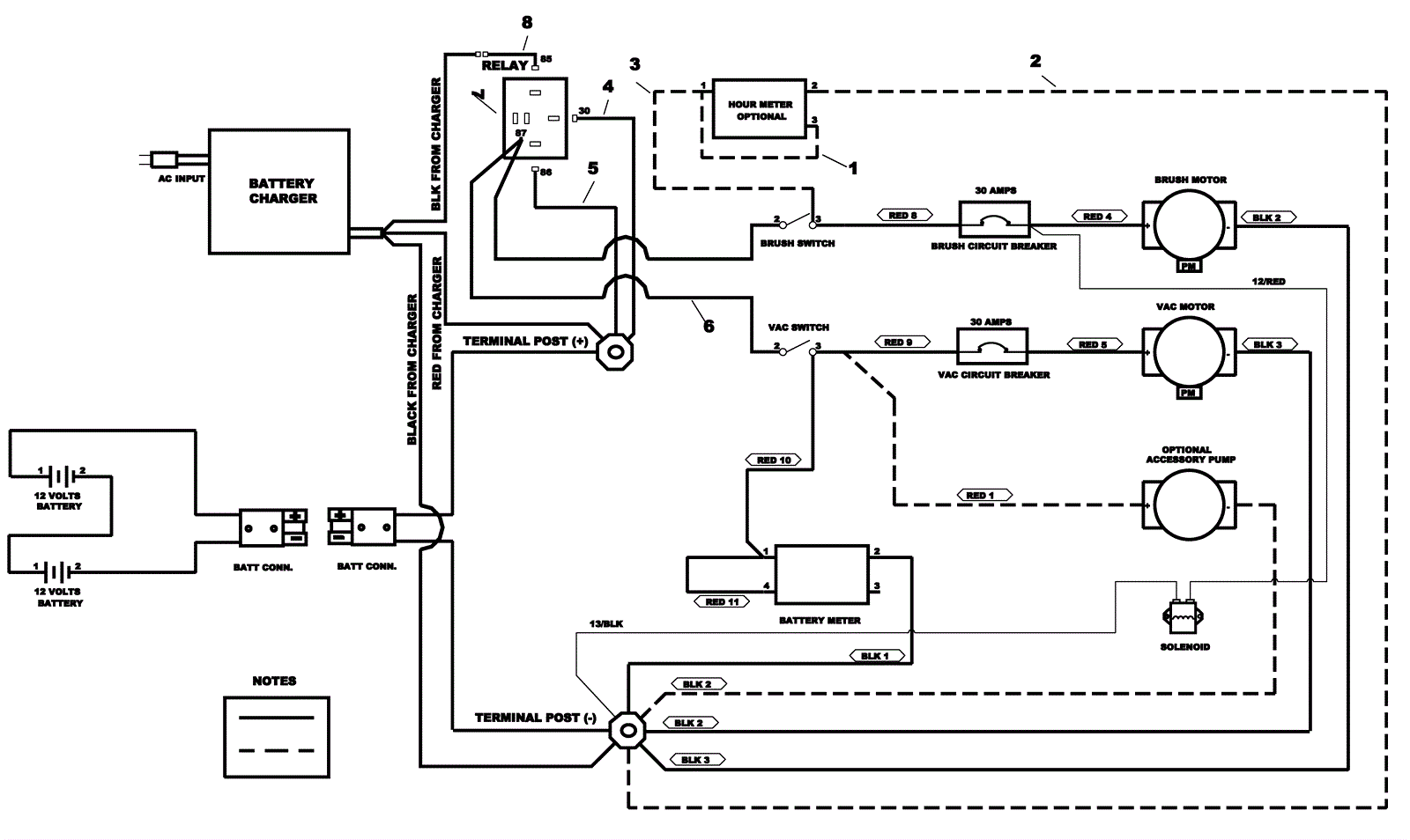
1 |
173-3131
|
4 inch wire (red) |
$11.11
|
1 |
|
usually ships 1-5 days |
2 |
173-3135
|
6 inch wire (black) |
$12.83
|
1 |
|
usually ships 1-5 days |
3 |
173-3133
|
8 inch wire (red) |
$16.50
|
1 |
|
usually ships 1-5 days |
4 |
173-5942
|
14 inch wire 76081 x 76064 (red) |
$28.60
|
1 |
|
usually ships 1-5 days |
5 |
173-5943
|
14 inch wire (red) |
$23.42
|
1 |
|
usually ships 1-5 days |
6 |
173-5944
|
14 inch wire (red) |
$31.66
|
1 |
|
usually ships 1-5 days |
7 |
173-0450
|
24V relay |
$56.02
|
1 |
|
usually ships 11-15 days |
8 |
173-5945
|
2 inch wire (yellow) |
$33.31
|
1 |
|
usually ships 1-5 days |