| # | Part | Description | Price | Req | Notes | Availability |
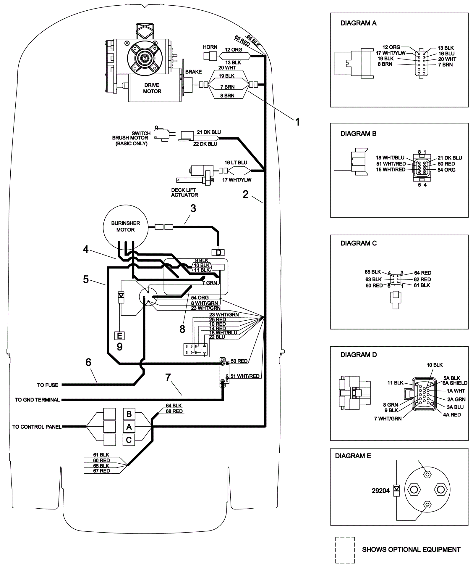
1 |
173-5607
|
Brake harness |
$81.21
|
1 |
|
usually ships 11-15 days |
2 |
173-5608
|
Main burnisher harness |
$460.21
|
1 |
|
usually ships 1-5 days |
3 |
173-5609
|
Hall sensor harness |
$69.30
|
1 |
|
usually ships 1-5 days |
4 |
173-5610
|
5/16 ring wire 30 inch (black) |
$66.51
|
3 |
|
usually ships 1-5 days |
5 |
273-4102
|
Wire (black) |
$16.83
|
1 |
|
usually ships 11-15 days |
6 |
173-5611
|
5/16 ring wire 36 inch (red) |
$65.33
|
1 |
|
usually ships 1-5 days |
7 |
173-8350
|
Wire from battery to charger plug (black) |
$64.15
|
1 |
|
usually ships 11-15 days |
8 |
173-5612
|
5/16 ring wire 12 inch (red) |
$8.20
|
1 |
|
usually ships 1-5 days |
9 |
173-1716
|
Diode assembly |
$57.55
|
1 |
|
usually ships 11-15 days |