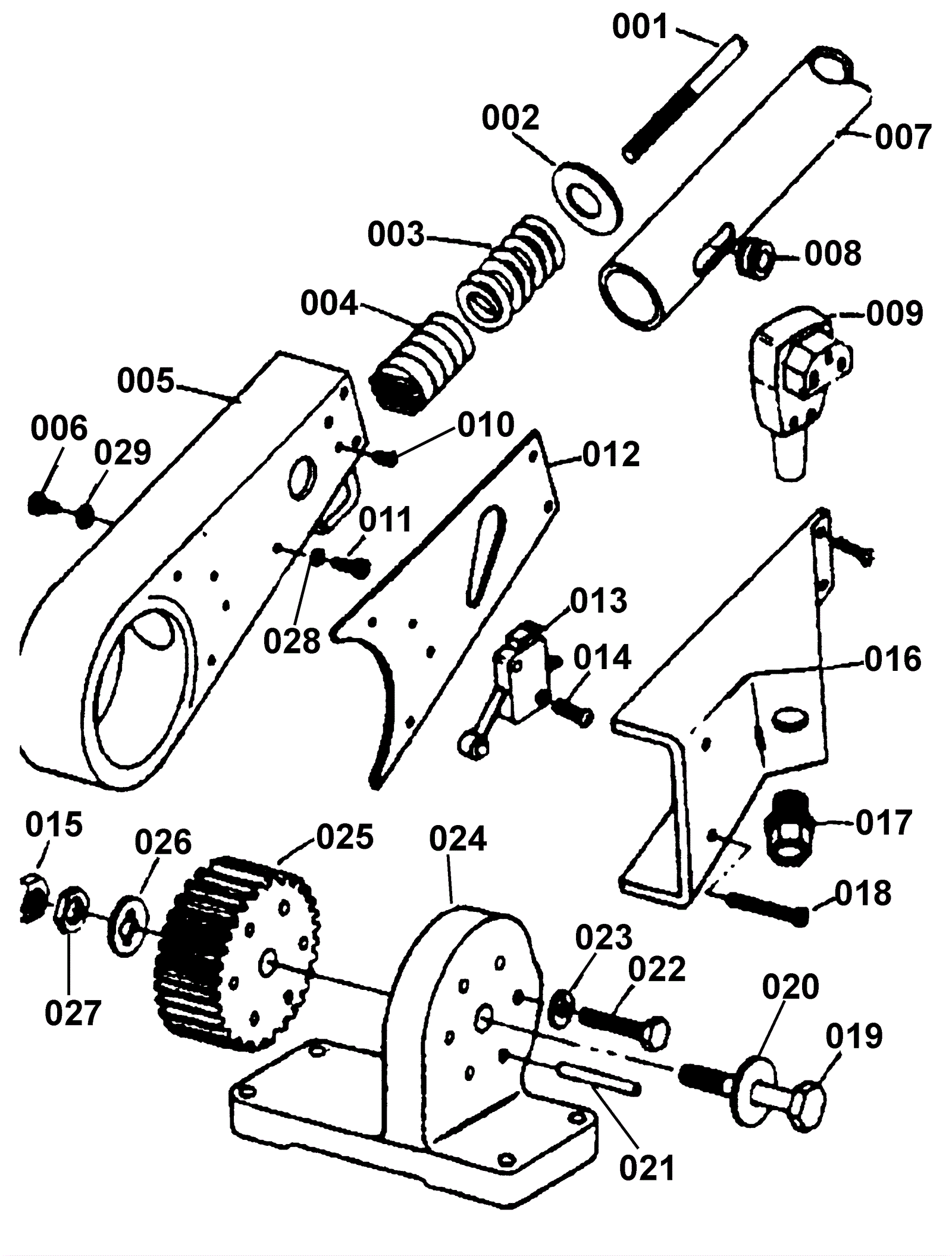
Handle/Pivot Assembly
Click to enlarge