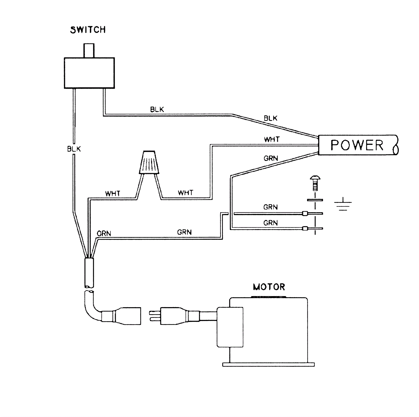
Wiring Diagram - 115V Single Speed
Click to enlarge