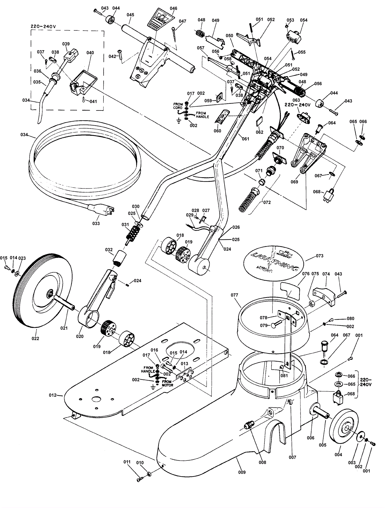
LIGHTNING L1500-20
Handle and Cover Assembly
| # | Part | Description | Price | Req | Notes | Availability |
018 |
173-5194
|
Spacer |
$25.77
|
|
|
usually ships 1-5 days |
019 |
173-2198
|
40 tooth gear |
$78.28
|
|
|
usually ships 11-15 days |
034a |
991-5005
|
14/3 replacement power cord 50 foot (yellow) |
$108.51
|
|
(NON-OEM) (does not include strain relief) |
ships same day |
034b |
991-5001
|
14/3 extension cord 50 foot (yellow) |
$103.23
|
|
(NON-OEM) |
ships same day |