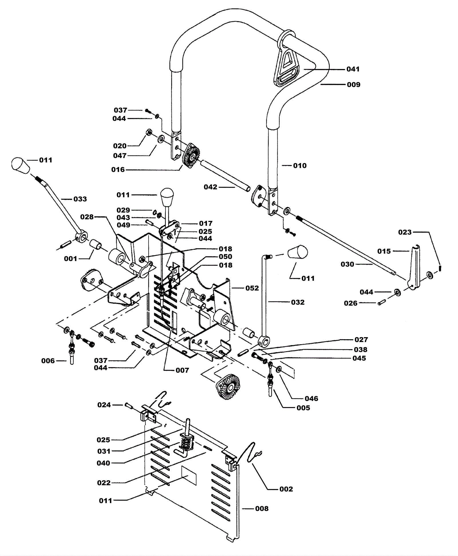
Mechanical Controls Assembly
Click to enlarge