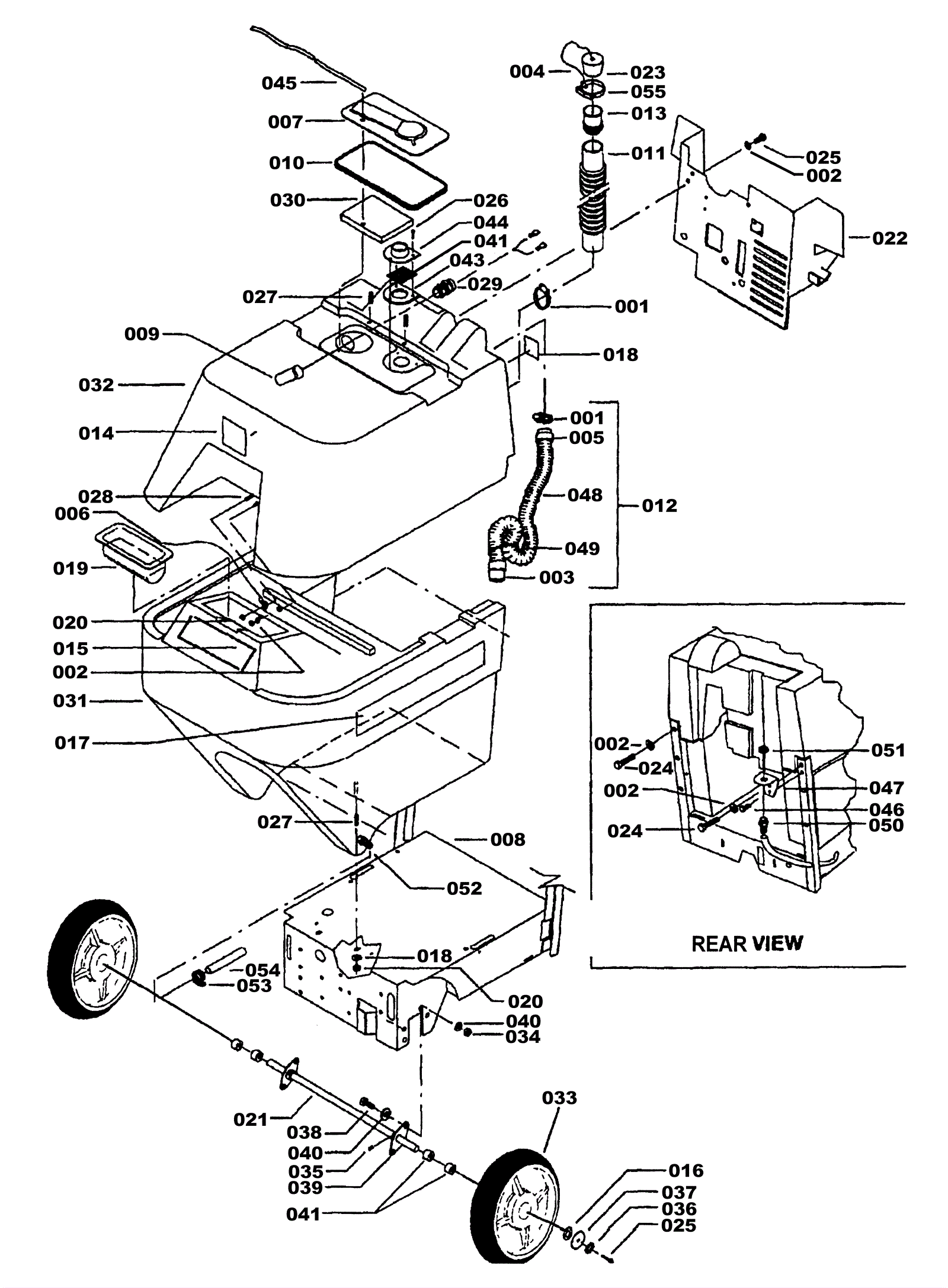
Tank and Frame Assembly
Click to enlarge