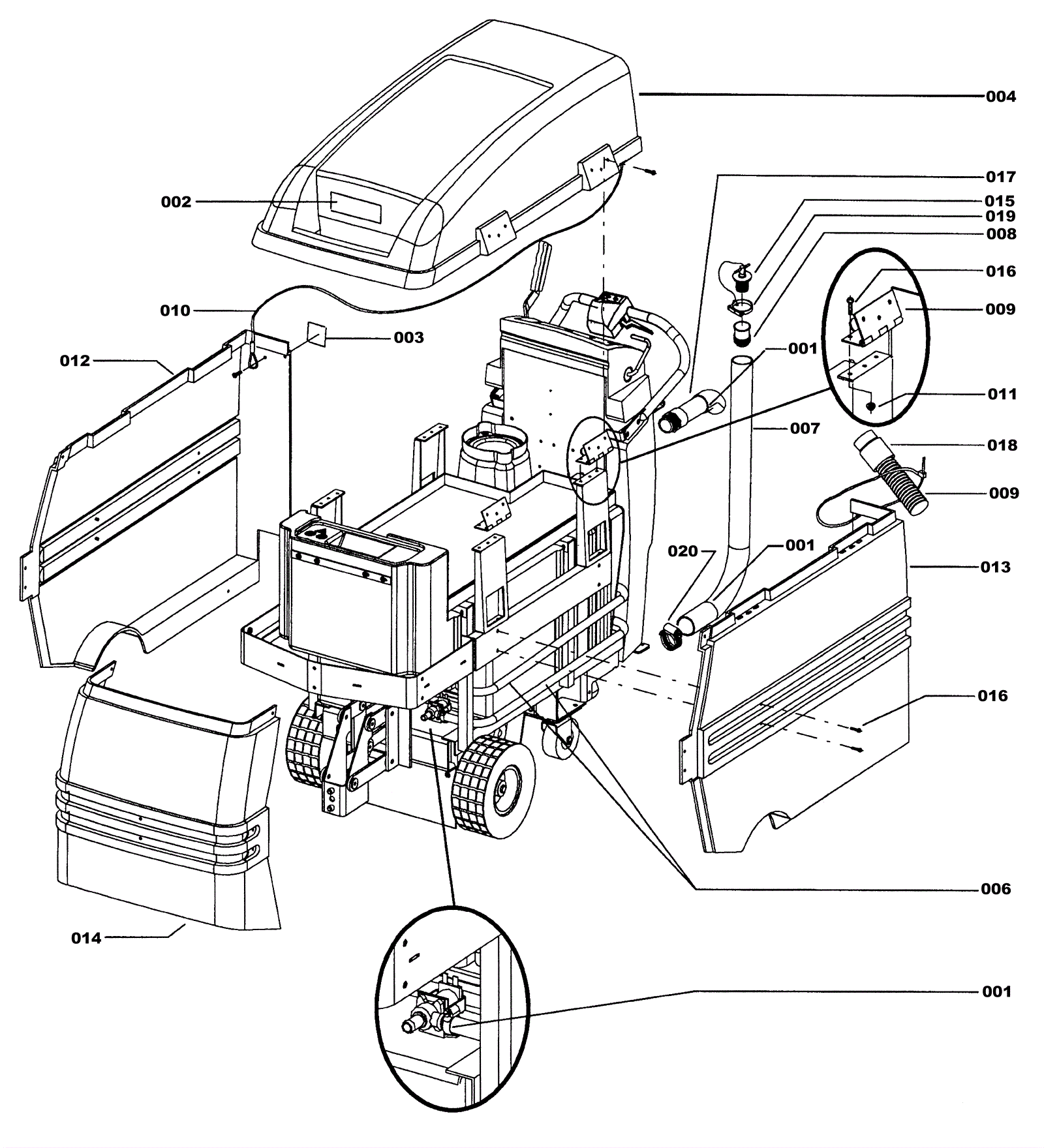
Cover and Hose Assemblies
Click to enlarge