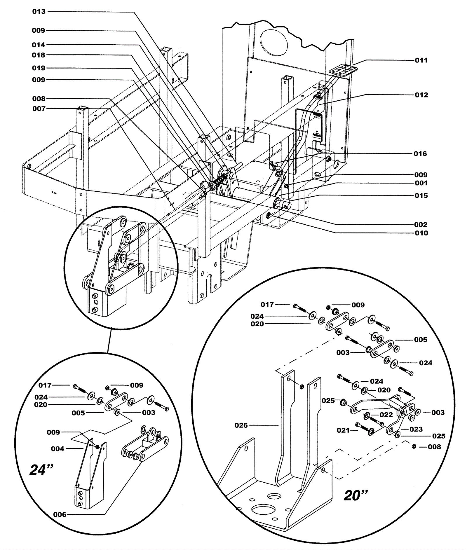
Scrub Deck Linkage Assembly
Click to enlarge