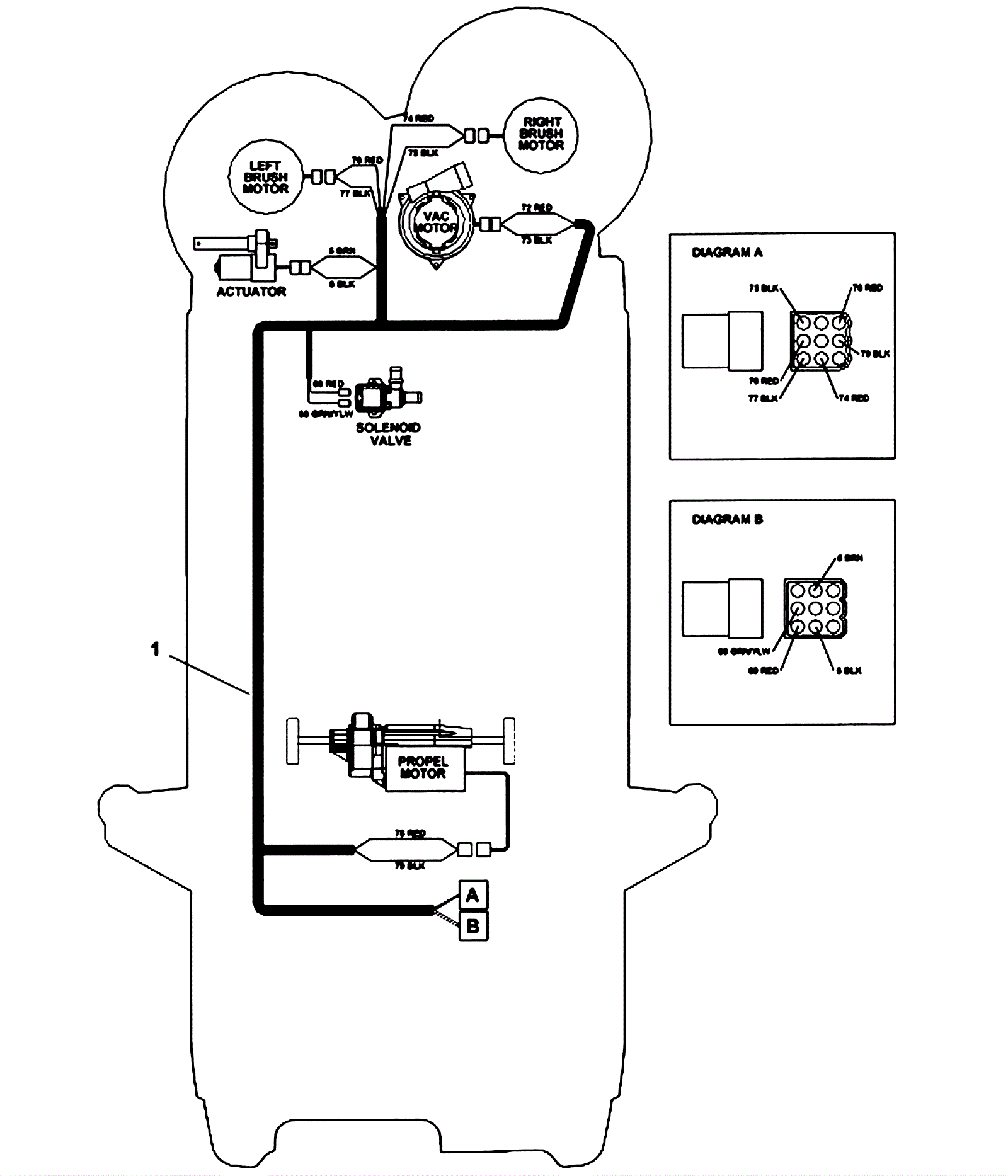
SABER CUTTER SCOX324
Main Harness Wiring Diagram
Click to enlarge
#
Part
Description
Price
Req
Notes
Availability
1
173-8353
Main harness
$309.55
1
usually ships 11-15 days