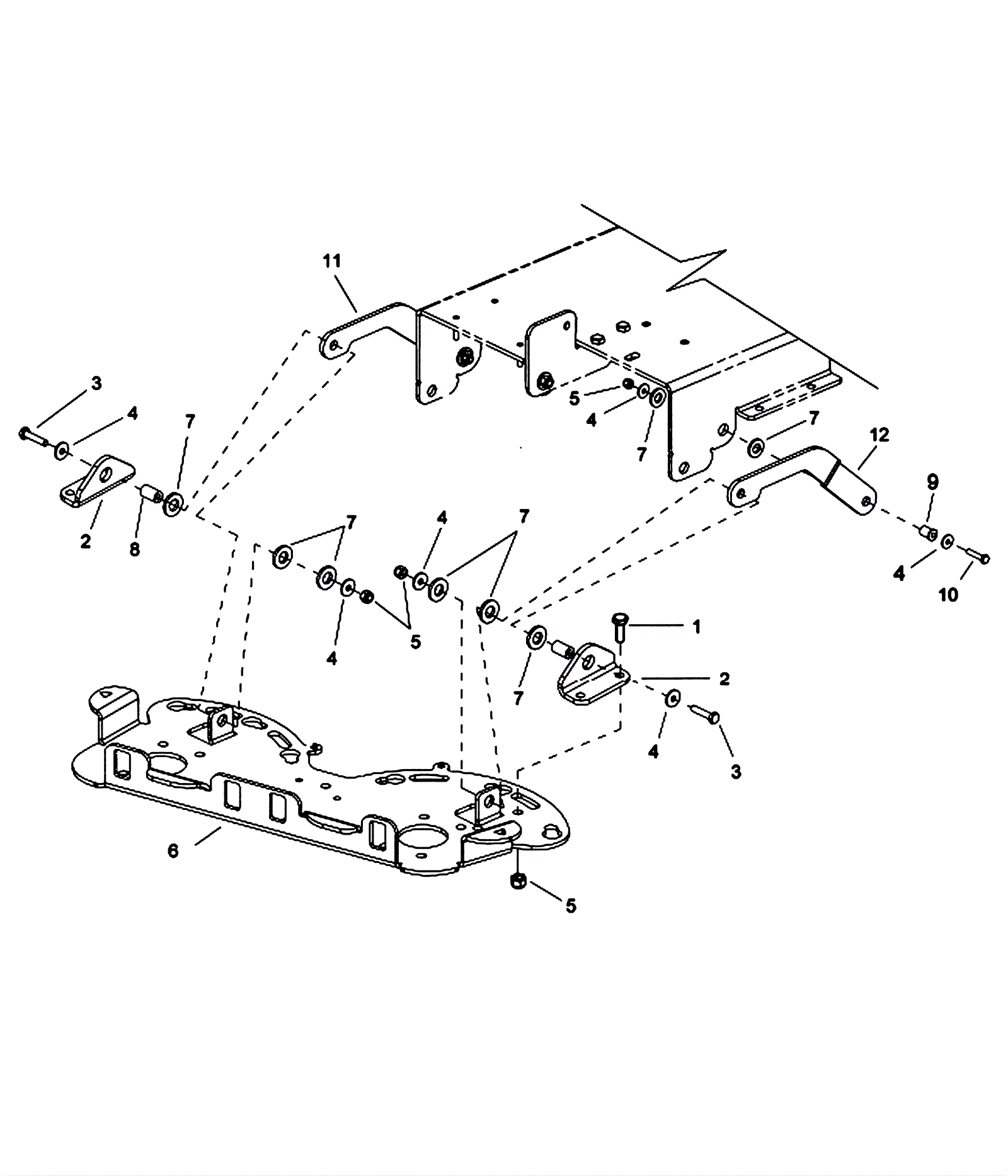
| # | Part | Description | Price | Req | Notes | Availability |
1 |
999-0020
|
Bolt 1/4-20 x 3/4 hex head grade 5 zinc plated |
$0.99
|
4 |
|
ships same day |
2 |
173-4315
|
Angle support bracket |
$30.91
|
2 |
|
usually ships 1-5 days |
3 |
999-0506
|
Bolt 1/4-20 x 1 1/2 hex head stainless steel |
$1.28
|
2 |
|
ships same day |
4 |
999-0123
|
Washer 1/4 SAE flat zinc plated |
$0.99
|
8 |
|
ships same day |
5 |
999-0304
|
Nut 1/4-20 nylon lock jam stainless steel |
$0.99
|
8 |
|
ships same day |
6 |
173-4327
|
Scrub deck frame 32 inch |
$407.00
|
1 |
|
usually ships 1-5 days |
7 |
173-3963
|
Washer 1/2 thrust |
$7.83
|
10 |
|
usually ships 11-15 days |
8 |
173-8299
|
Bearing |
$11.19
|
2 |
|
usually ships 1-5 days |
9 |
173-8258
|
Flanged bearing |
$12.12
|
2 |
|
ships same day |
10 |
999-0136
|
Bolt 1/4-20 x 1 1/4 hex head grade 5 zinc plated |
$0.99
|
2 |
|
ships same day |
11 |
173-4372
|
Left linkage bar |
$98.29
|
1 |
|
usually ships 1-5 days |
12 |
173-4373
|
Right linkage bar |
$117.12
|
1 |
|
usually ships 1-5 days |