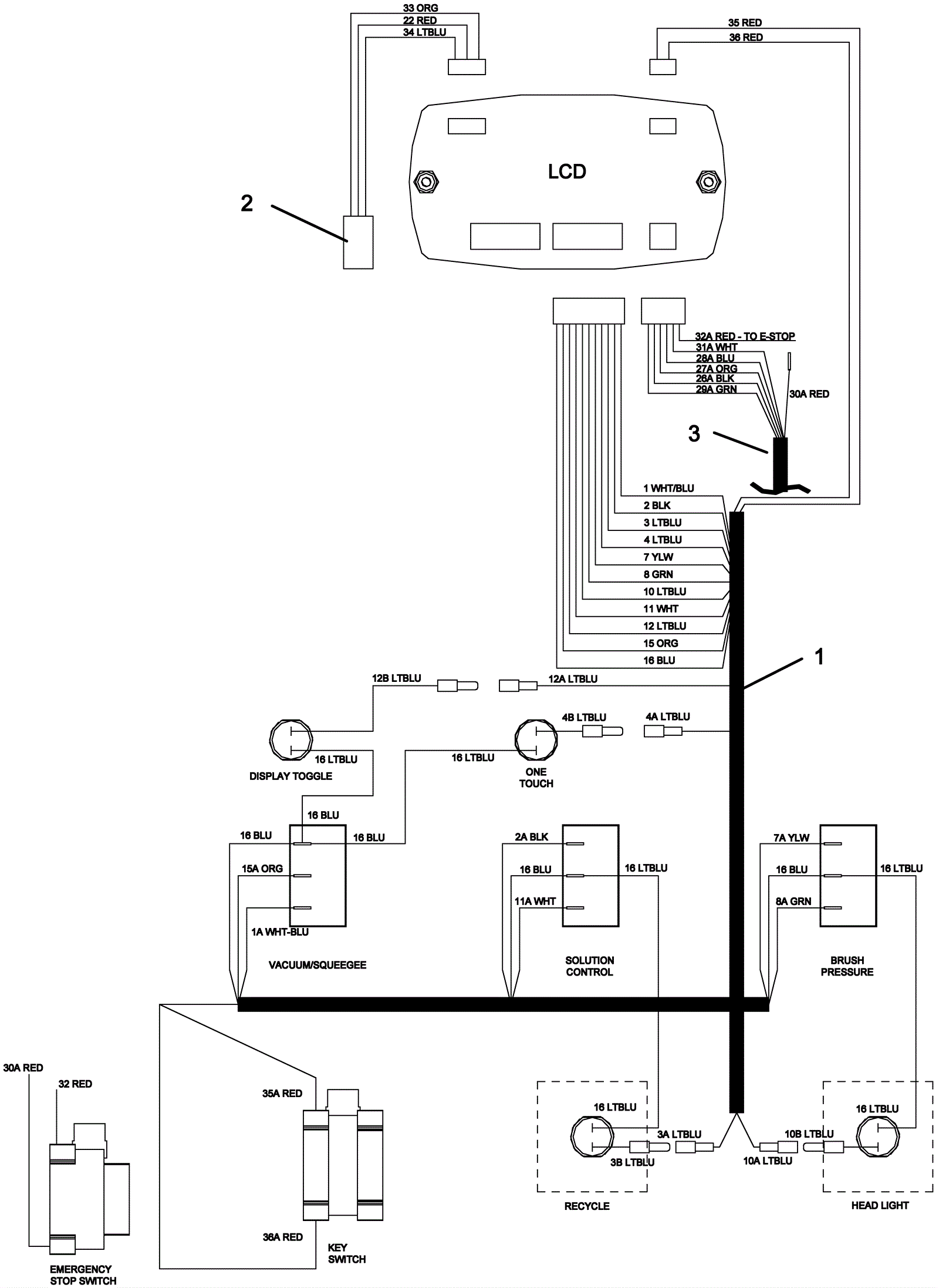
Wiring - Control Panel
Click to enlarge
#
Part
Description
Price
Req
Notes
Availability
1
273-1110
Control harness
$123.59
1
usually ships 1-5 days
2
273-1106
Glide trio harness
$895.70
usually ships 1-5 days
3
273-1107
LCD harness
$161.25
usually ships 1-5 days