| # | Part | Description | Price | Req | Notes | Availability |
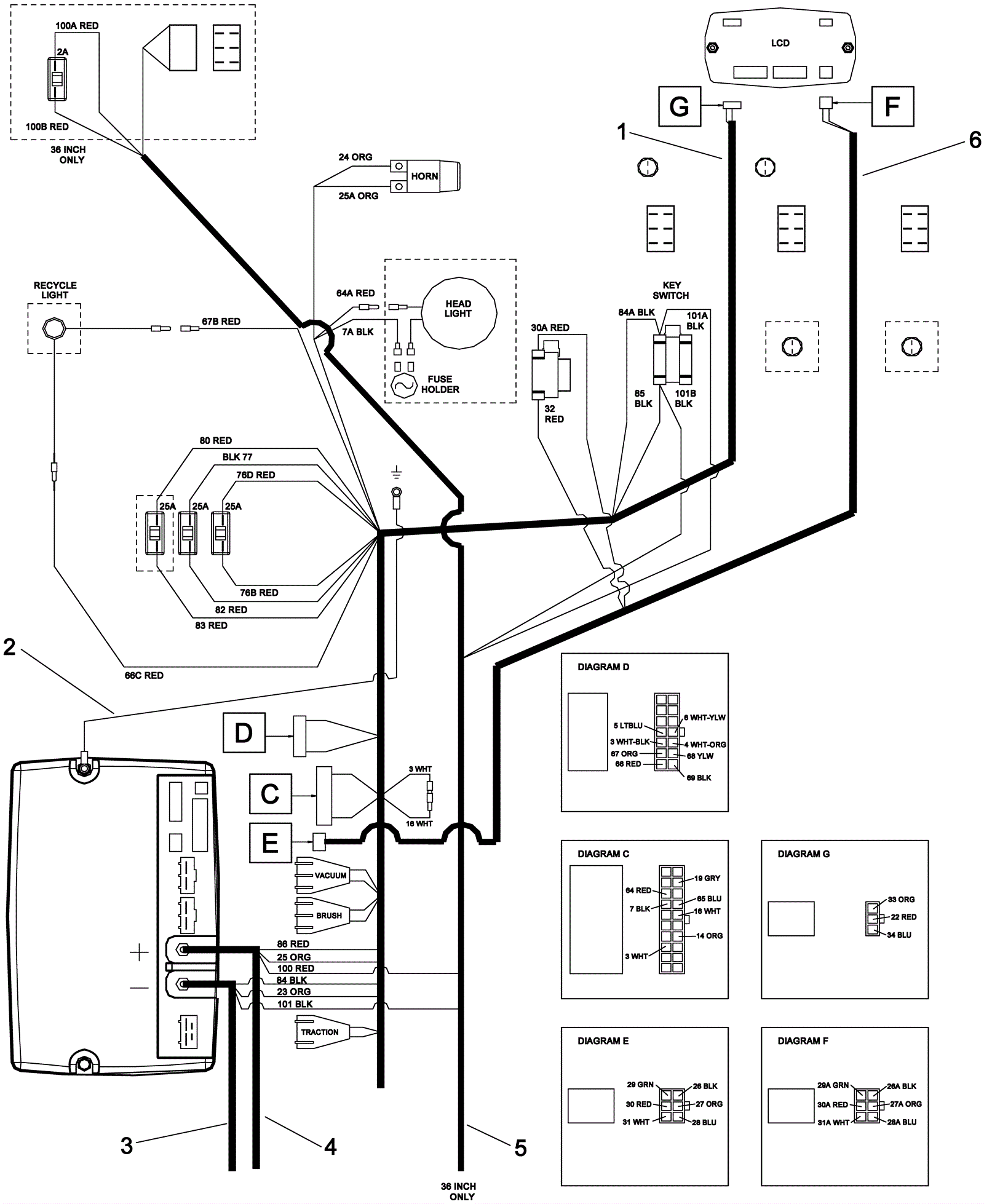
1 |
273-1106
|
Glide trio harness |
$895.70
|
|
|
usually ships 1-5 days |
2 |
273-1108
|
14 inch wire (green) |
$12.24
|
1 |
|
usually ships 1-5 days |
3 |
173-3238
|
4 gauge wire (black) |
$101.22
|
|
|
usually ships 1-5 days |
4 |
173-8793
|
78 1/2 inch 4 gauge cable (black) |
$103.95
|
|
|
usually ships 1-5 days |
5 |
273-1109
|
Deck shift harness |
$38.94
|
1 |
(36 inch) |
usually ships 1-5 days |
6 |
273-1107
|
LCD harness |
$161.25
|
1 |
|
usually ships 1-5 days |