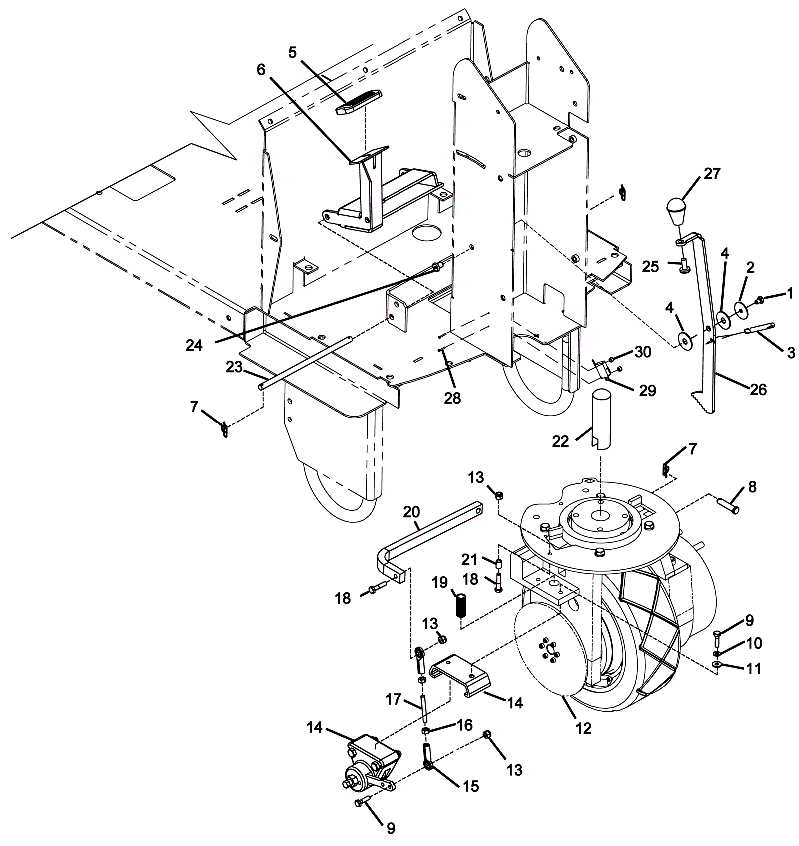
# | Part | Description | Price | Req | Notes | Availability |
1 |
999-0360
|
Screw 1/4-20 x 3/8 hex head thread rolling unslotted |
$0.99
|
1 |
|
ships same day |
2 |
999-0016
|
Washer 1/4 flat plain finish |
$0.99
|
1 |
|
ships same day |
3 |
173-8223
|
Extension spring |
$61.60
|
1 |
|
usually ships 11-15 days |
4 |
173-3944
|
Washer 2/5 nylon |
$2.33
|
2 |
|
usually ships 1-5 days |
5 |
173-3218
|
Brake pedal pad |
$33.31
|
1 |
|
usually ships 1-5 days |
6 |
273-6111
|
Brake pedal |
$200.20
|
1 |
|
usually ships 1-5 days |
7 |
173-1593
|
Cotter ring (OBSOLETE) |
$0.99
|
3 |
|
usually ships 11-15 days |
8 |
173-1106
|
Terminal boot |
$3.19
|
1 |
|
usually ships 1-5 days |
9 |
999-9072
|
Bolt 1/4-20 x 1 hex head cap |
$7.32
|
3 |
|
ships same day |
10 |
999-1049
|
Washer 1/4 split lock zinc plated |
$0.99
|
2 |
|
ships same day |
11 |
999-0123
|
Washer 1/4 SAE flat zinc plated |
$0.99
|
2 |
|
ships same day |
12 |
273-6112
|
Brake disk |
$161.25
|
1 |
|
usually ships 1-5 days |
13 |
999-0294
|
Nut 1/4-20 hex nylon lock type NE stainless steel |
$1.18
|
3 |
|
ships same day |
14a |
273-6113
|
Clockwise brake caliper |
$133.10
|
1 |
|
usually ships 1-5 days |
14b |
173-3472
|
Pin caliper actuator |
$16.83
|
1 |
|
usually ships 1-5 days |
14c |
173-3473
|
Caliper backing plate |
$15.29
|
1 |
|
usually ships 1-5 days |
14d |
173-3474
|
Caliper puck |
$38.61
|
1 |
|
usually ships 1-5 days |
14e |
173-3475
|
Anvil subassembly caliper |
$72.05
|
1 |
|
usually ships 1-5 days |
15 |
273-6114
|
Ball joint |
$13.42
|
2 |
|
usually ships 1-5 days |
16 |
999-0651
|
Nut 1/4-28 hex stainless steel |
$0.99
|
2 |
|
ships same day |
17 |
173-3277
|
Lower vacuum control arm |
$36.72
|
1 |
|
usually ships 1-5 days |
18 |
999-0136
|
Bolt 1/4-20 x 1 1/4 hex head grade 5 zinc plated |
$0.99
|
2 |
|
ships same day |
19 |
273-6115
|
Spring |
$10.67
|
1 |
|
usually ships 1-5 days |
20 |
273-6116
|
Brake lever arm |
$123.59
|
1 |
|
usually ships 1-5 days |
21 |
173-1141
|
Spacer |
$16.61
|
1 |
|
usually ships 1-5 days |
22 |
273-6117
|
Brake push rod |
$145.95
|
1 |
|
usually ships 1-5 days |
23 |
273-6118
|
Clevis pin |
$46.64
|
1 |
|
usually ships 1-5 days |
24 |
173-8380
|
Nut 1/4-20 x 12 hex barrel (OBSOLETE) |
$5.89
|
1 |
|
usually ships 11-15 days |
25 |
999-1146
|
Screw 5/16-18 x 3/4 truss head phillips stainless steel |
$1.41
|
1 |
|
ships same day |
26 |
273-6119
|
Parking brake lever |
$90.75
|
1 |
|
usually ships 1-5 days |
27 |
173-1901
|
Solution lever knob |
$20.01
|
1 |
|
usually ships 1-5 days |
28 |
999-1059
|
Screw 4-40 x 3/4 pan head phillips zinc plated |
$0.99
|
2 |
|
ships same day |
29 |
173-0543
|
Lever bent switch |
$84.16
|
1 |
|
usually ships 1-5 days |
30 |
173-2579
|
Nut 4-40 hex star lock |
$0.99
|
2 |
|
usually ships 1-5 days |