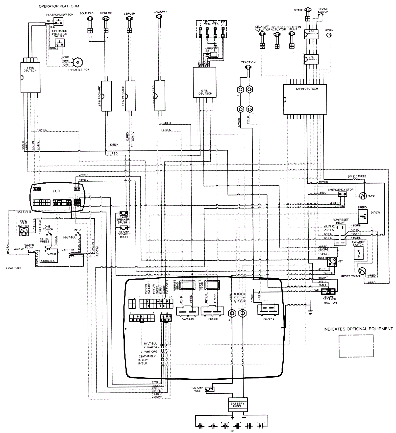
Wiring Diagram - Deluxe
Click to enlarge