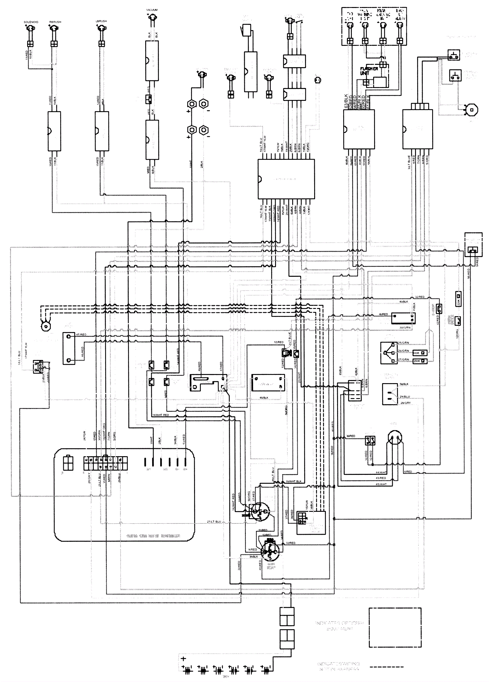
Basic Cylindrical Wiring Diagram
Click to enlarge