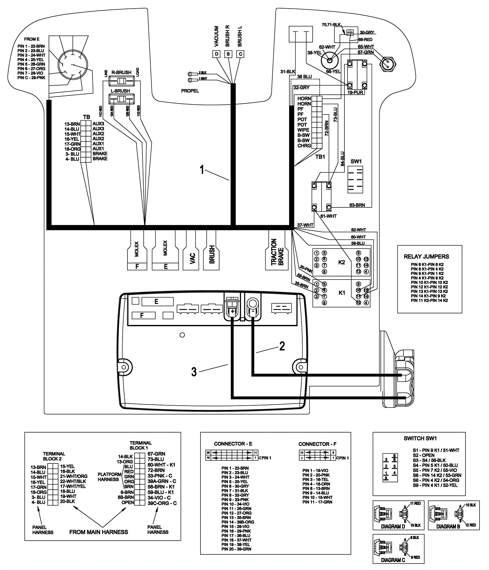
CHARIOT ISCRUB SERIES 2 Wiring Diagram - Control Panel - After 01.2009

#PartDescriptionPriceReqNotesAvailability
1 273-5996 Panel harness $642.64 1 usually ships 1-5 days
2 173-8350 Wire from battery to charger plug (black) $64.15 1 usually ships 11-15 days
3 173-8349 Wire from battery to charger plug (red) $62.38 1 usually ships 11-15 days