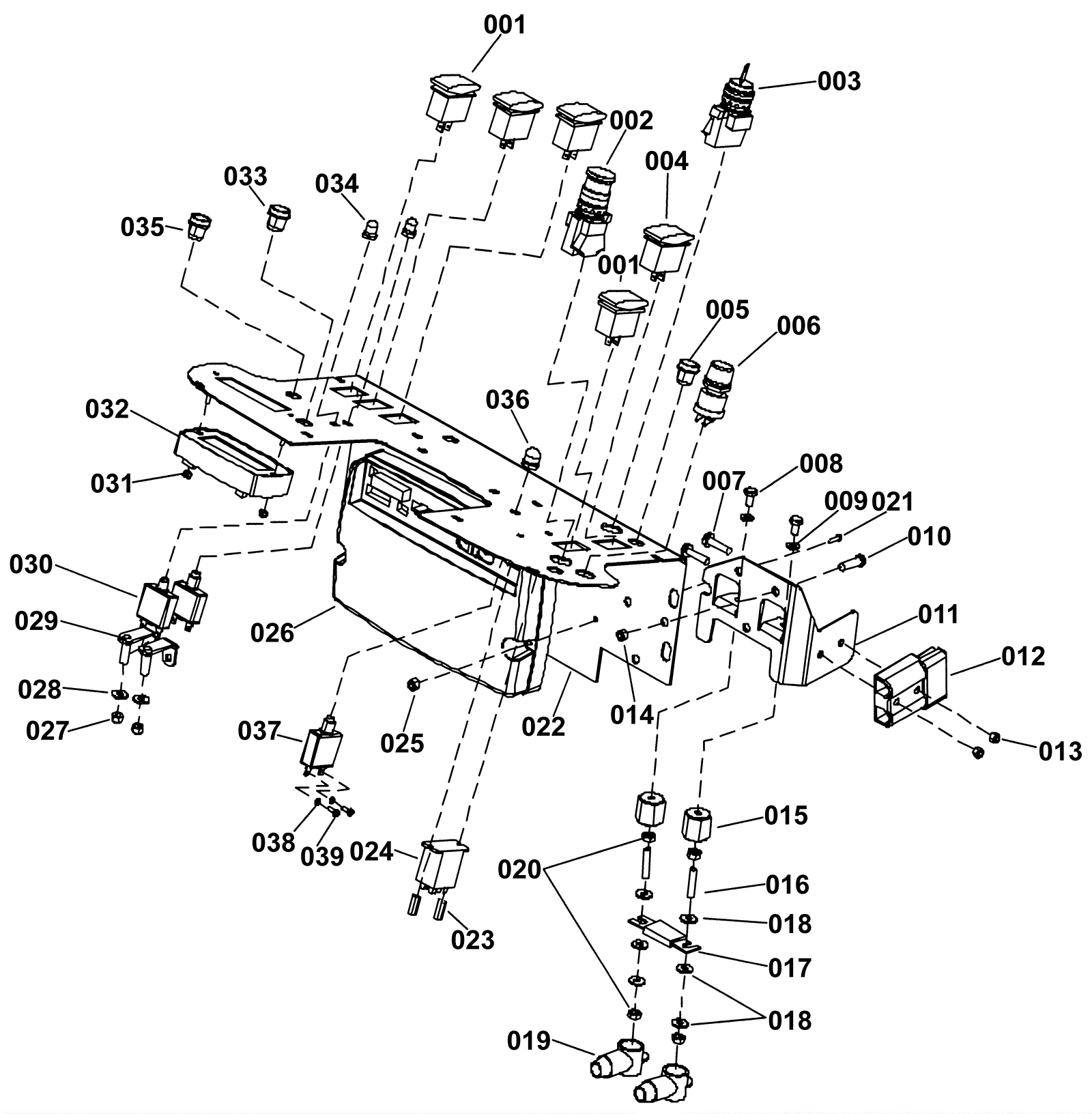
Deluxe Control Panel Assembly
Click to enlarge