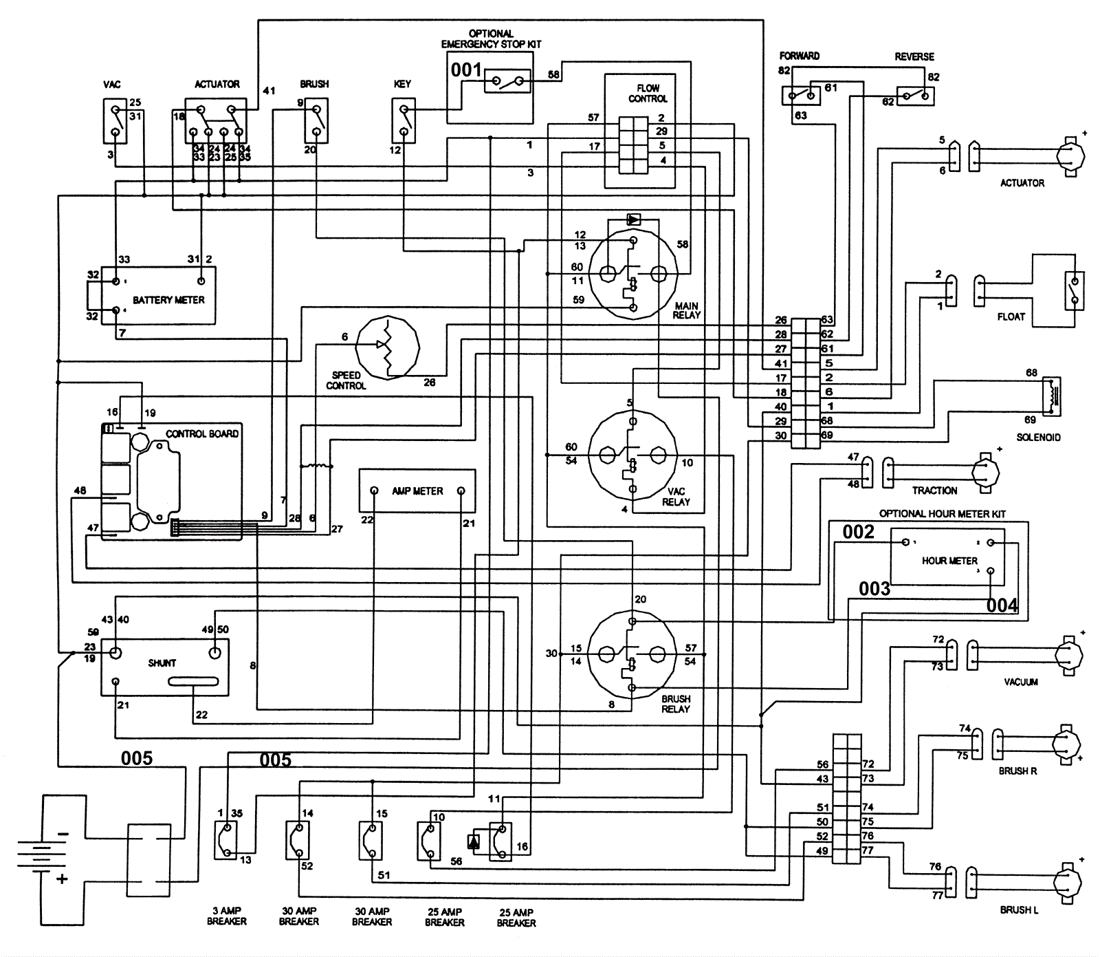
# | Part | Description | Price | Req | Notes | Availability |
001 |
173-1532
|
16 inch strip wire (red) |
$17.53
|
|
|
usually ships 1-5 days |
002 |
173-1535
|
9 inch red wire (OBSOLETE) |
$5.01
|
|
|
usually ships 1-5 days |
003 |
173-1534
|
6 inch red wire |
$2.75
|
|
|
usually ships 1-5 days |
004 |
173-1536
|
black 9 inch wire |
$2.53
|
|
|
usually ships 1-5 days |
005 |
173-1711
|
Electrical cable (OBSOLETE) |
$90.93
|
|
|
usually ships 1-5 days |