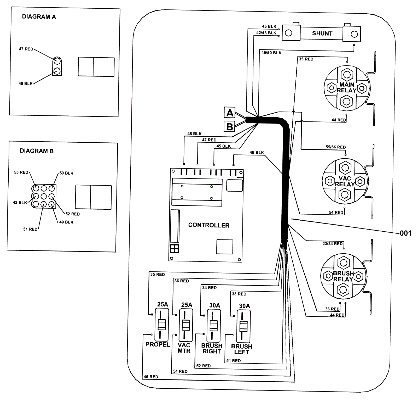
Wiring Group-Motor Harness
Click to enlarge
#
Part
Description
Price
Req
Notes
Availability
001
173-2663
Motor harness
$64.35
1
usually ships 1-5 days