# | Part | Description | Price | Req | Notes | Availability |
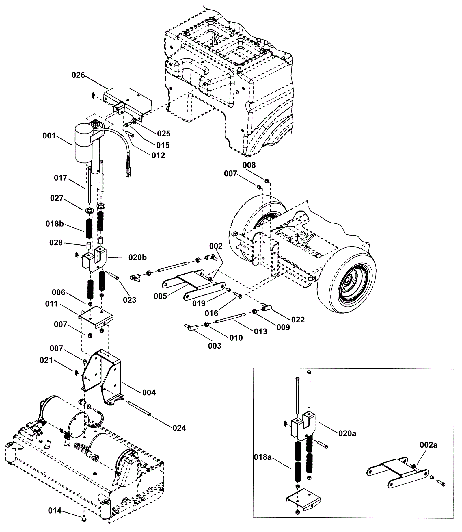
001 |
273-0091
|
36V actuator |
$820.37
|
1 |
|
usually ships 11-15 days |
002a |
173-1582
|
Bearing |
$7.41
|
4 |
(from S/N 1000062420) |
usually ships 11-15 days |
002b |
173-1583
|
bearing |
$7.76
|
4 |
|
usually ships 1-5 days |
003 |
173-1584
|
Left ball joint |
$44.37
|
2 |
|
usually ships 11-15 days |
004 |
173-1585
|
scrub head mount bracket |
$140.06
|
1 |
|
usually ships 1-5 days |
005 |
173-1586
|
scrub deck linkage |
$96.25
|
1 |
|
usually ships 1-5 days |
006 |
999-0170
|
Nut 3/8-16 hex plain finish |
$0.99
|
2 |
|
ships same day |
007 |
173-3869
|
Nut 3/8-16 hex nylock (OBSOLETE) |
$1.03
|
10 |
|
usually ships 11-15 days |
008 |
999-1391
|
Nut 3/8-24 nylon insert lock stainless steel |
$1.18
|
4 |
|
ships same day |
009 |
999-0169
|
Nut 3/8-24 hex jam plain finish |
$0.99
|
2 |
|
ships same day |
010 |
173-3927
|
Nut 3/8-24 |
$4.51
|
2 |
|
usually ships 1-5 days |
011 |
173-1587
|
spring support plate |
$45.10
|
1 |
|
usually ships 1-5 days |
012 |
173-1588
|
Clevis pin |
$2.31
|
1 |
|
usually ships 1-5 days |
013 |
173-1589
|
Scrub lift rod |
$72.97
|
2 |
|
usually ships 1-5 days |
014 |
999-0038
|
Bolt 3/8-16 x 1 hex head grade 5 zinc plated |
$1.87
|
4 |
|
ships same day |
015 |
999-1052
|
Bolt 5/16-18 x 3/4 hex head grade 5 zinc plated |
$0.99
|
3 |
|
ships same day |
016 |
999-0039
|
Bolt 3/8-16 x 1 1/4 hex head grade 5 zinc plated |
$0.99
|
4 |
|
ships same day |
017 |
173-3957
|
Screw 3/8-16 x 6 hex head |
$3.63
|
2 |
|
usually ships 1-5 days |
018a |
173-1777
|
compound spring |
$35.53
|
4 |
|
usually ships 1-5 days |
018b |
173-2637
|
Compression spring 97/100 OD X 635 L X 3/25 W |
$10.60
|
4 |
(from S/N 1000040312) |
usually ships 1-5 days |
019 |
173-1591
|
Spacer |
$48.38
|
4 |
|
usually ships 1-5 days |
020a |
173-1592
|
spring retainer plate |
$123.20
|
1 |
|
usually ships 1-5 days |
020b |
173-2638
|
Spring retainer channel (OBSOLETE) |
$28.61
|
1 |
(from S/N 1000040312) |
usually ships 1-5 days |
021 |
173-1593
|
Cotter ring (OBSOLETE) |
$0.99
|
3 |
|
usually ships 11-15 days |
022 |
173-1594
|
Right ball joint assembly |
$37.66
|
2 |
|
usually ships 11-15 days |
023 |
173-1595
|
Clevis pin (OBSOLETE) |
$4.88
|
1 |
|
usually ships 10-13 days |
024 |
173-1596
|
Clevis pin |
$20.96
|
1 |
|
usually ships 11-15 days |
026 |
173-1597
|
weldment actuator bracket (OBSOLETE) |
$77.09
|
1 |
|
usually ships 1-5 days |
027 |
173-2639
|
Sleeve bearing |
$10.47
|
2 |
(from S/N 1000040312) |
usually ships 1-5 days |
028 |
173-2640
|
Spring retainer tube (OBSOLETE) |
$19.25
|
2 |
(from S/N 1000040312) |
usually ships 1-5 days |