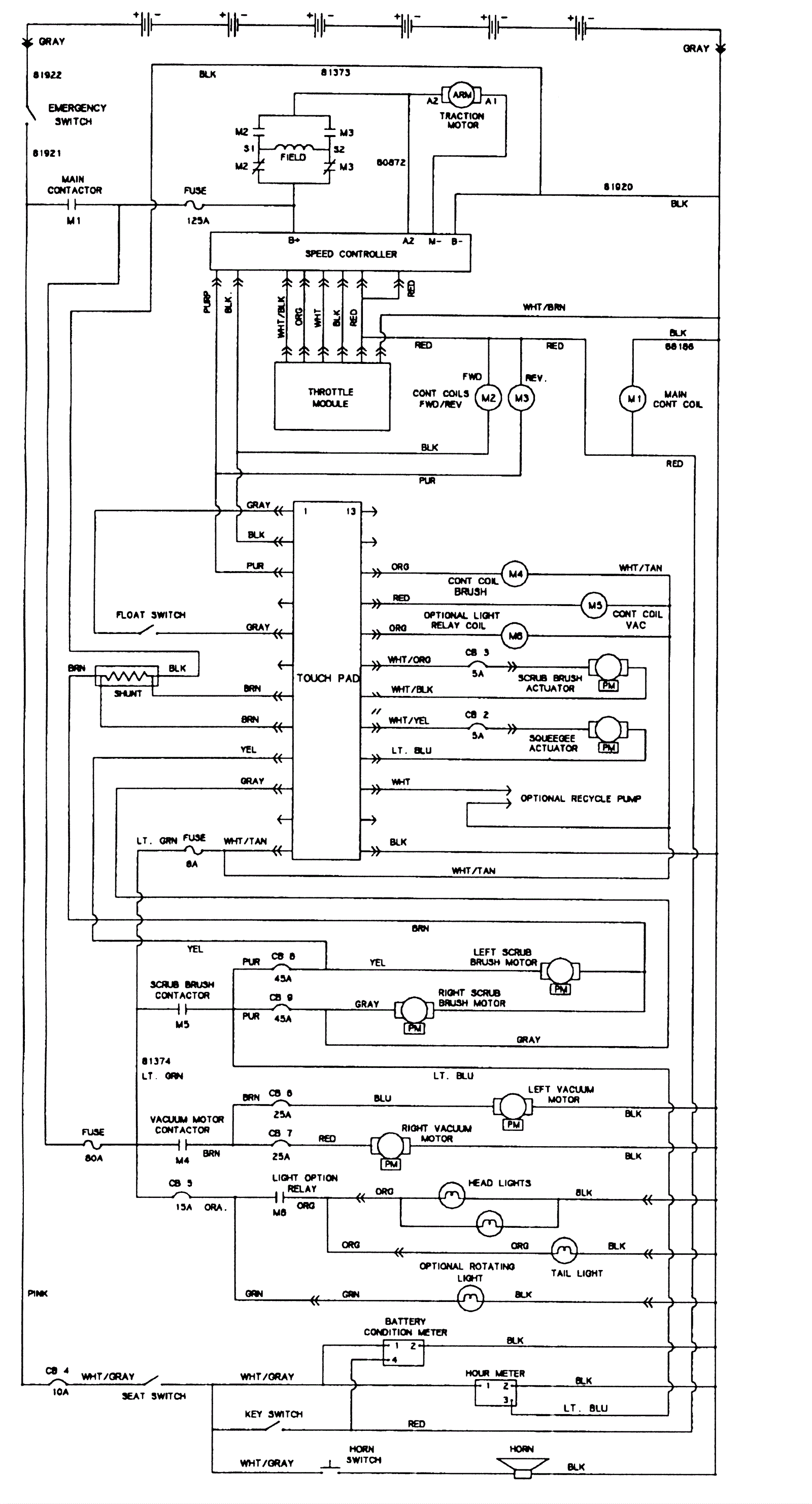
Electric Wiring Diagram
Click to enlarge